lemon-mirror:
Home >> Infiniti >> 1991 >> G20 Automatic >> Repair and Diagnosis >> Engine Performance >> System >> Engine Controls - Tests W/Codes >> Code Charts >> Code 21: Ignition Signal Circuit

Code 21: Ignition Signal Circuit

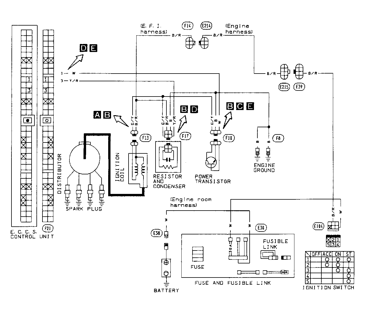
Fig 1: Code 21: Ignition Signal Ckt. Circuit Diagram
G91H17126Courtesy of NISSAN MOTOR CO., U.S.A.
Fig 2: Code 21: Ignition Signal Ckt. ECU & Harness Location
G91I17127Courtesy of NISSAN MOTOR CO., U.S.A.
Fig 3: Code 21: Ignition Signal Ckt. Flow Chart (1 of 3)
G91J17128Courtesy of NISSAN MOTOR CO., U.S.A.
Fig 4: Code 21: Ignition Signal Ckt. Flow Chart (2 of 3)
G91A17129Courtesy of NISSAN MOTOR CO., U.S.A.
Fig 5: Code 21: Ignition Signal Ckt. Flow Chart (3 of 3)
G91D17130Courtesy of NISSAN MOTOR CO., U.S.A.