lemon-mirror:
Home >> Infiniti >> 2000 >> Q45 Base >> Repair and Diagnosis >> Engine Performance >> Vacuum Diagrams >> Introduction

Vacuum Diagrams: Introduction

NOTE: For vacuum diagrams information on I30, refer to Maxima in Nissan VACUUM DIAGRAMS article. For vacuum diagrams information on QX4, refer to Pathfinder in Nissan VACUUM DIAGRAMS article.

This article contains schematics of vacuum hose routing. Use these vacuum diagrams during the visual inspection portion of BASIC DIAGNOSTIC PROCEDURES article. This will assist in identifying improperly routed vacuum hoses, which cause driveability and/or computer-indicated malfunctions.

NOTE: Do not use soapy water or any type of solvent while installing vacuum or purge hoses.
Fig 1: Engine Control System Vacuum Diagram (G20)
G00013059Courtesy of NISSAN MOTOR CO., U.S.A.
Fig 2: Identifying Engine Control System Vacuum Hose Routing (G20)
G00013060Courtesy of NISSAN MOTOR CO., U.S.A.
Fig 3: Evaporative (EVAP) Emission System Diagram (G20)
G00013061Courtesy of NISSAN MOTOR CO., U.S.A.
Fig 4: On Board Refueling Vapor Recovery (ORVR) System (G20)
G00013062Courtesy of NISSAN MOTOR CO., U.S.A.
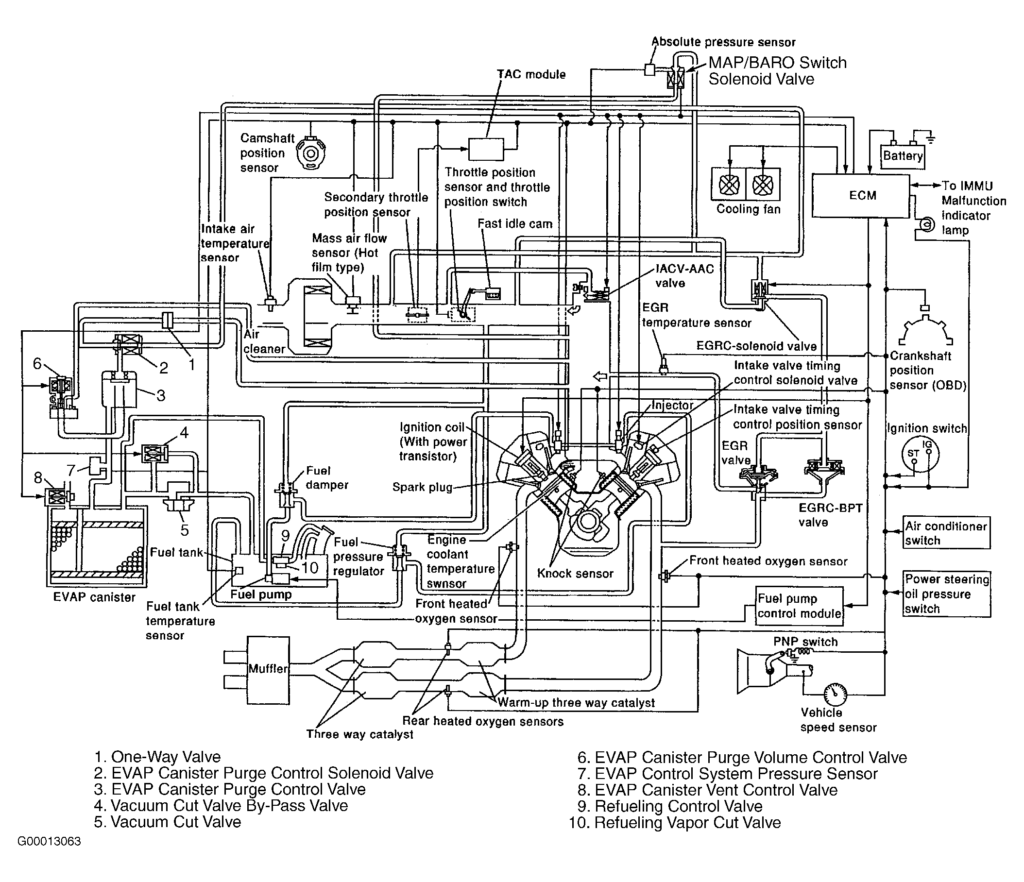
Fig 5: Engine Control System Vacuum Diagram (Q45)
G00013063Courtesy of NISSAN MOTOR CO., U.S.A.
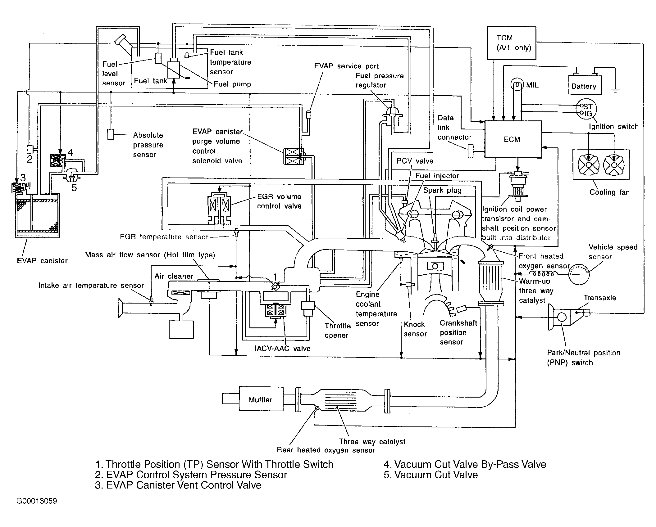
Fig 6: Identifying Engine Control System Vacuum Hose Routing (Q45)
G00013064Courtesy of NISSAN MOTOR CO., U.S.A.
Fig 7: Evaporative (EVAP) Emission System Diagram (Q45)
G00013065Courtesy of NISSAN MOTOR CO., U.S.A.
Fig 8: On Board Refueling Vapor Recovery (ORVR) System (Q45)
G00013066Courtesy of NISSAN MOTOR CO., U.S.A.