lemon-mirror:
Home >> Infiniti >> 2001 >> QX4 RWD >> Repair and Diagnosis >> External Pages >> Different car >> Section 249 (Remote Keyless Entry System) >> Remote Keyless Entry System >> Schematic

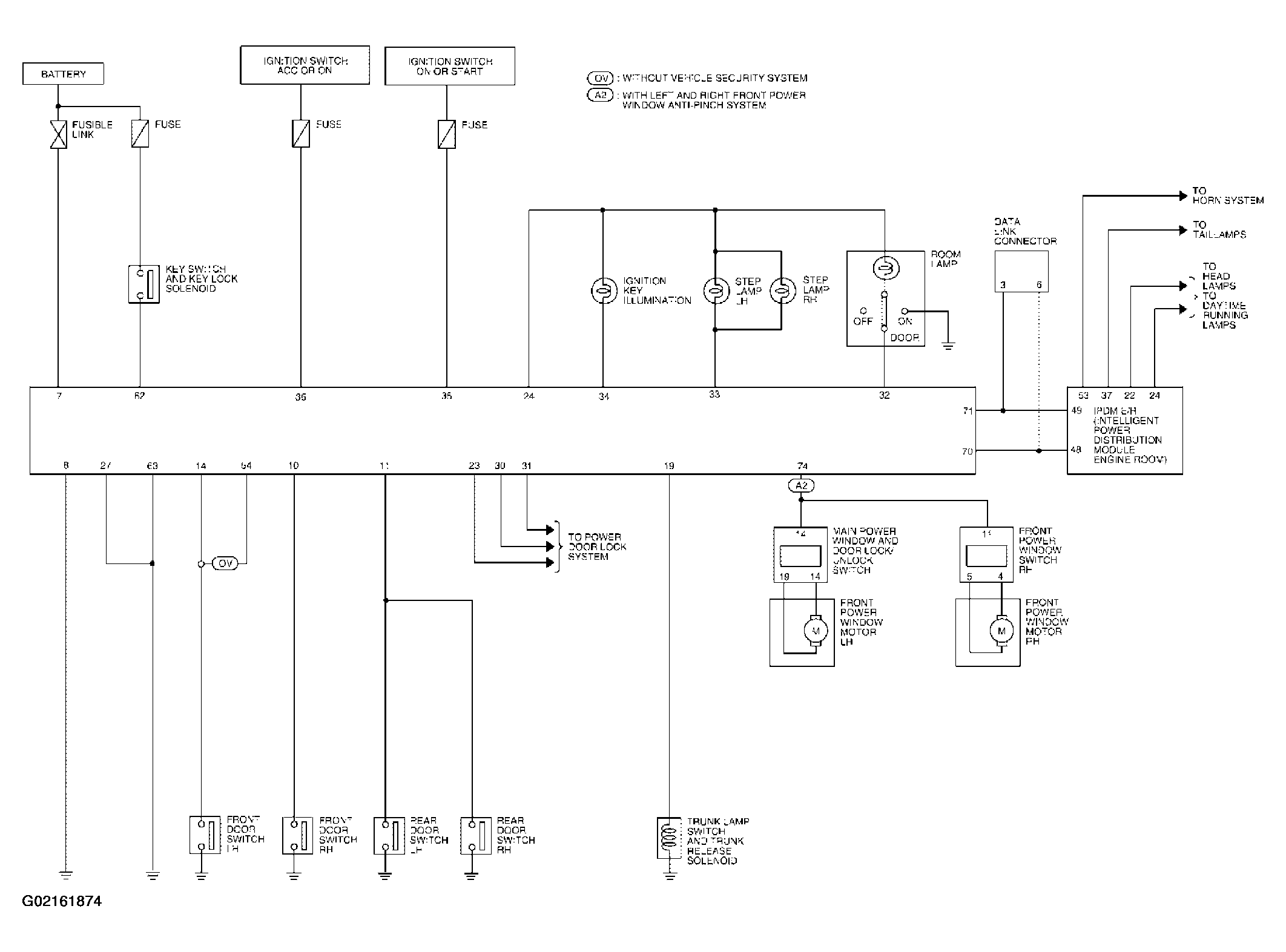
Remote Keyless Entry System: Schematic

WARNING: This page is about a different car, the 2003 Nissan Altima. However, it is still accessible from the selected car via links, so may be relevant.
Fig 1: Schematic Diagram - Remote Keyless Entry System
G02161874Courtesy of NISSAN MOTOR CO., U.S.A.