lemon-mirror:
Home >> Infiniti >> 2002 >> I35 >> Repair and Diagnosis >> Brakes >> Traction Control >> Anti-Lock/Traction Control/TCS >> Description >> Schematic

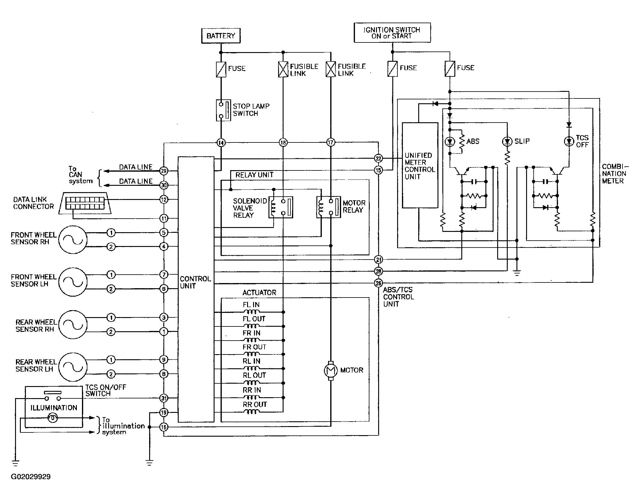
Anti-Lock/Traction Control/TCS: Description: Schematic

Fig 1: TCS Schematic
G02029929Courtesy of NISSAN MOTOR CO., U.S.A.