lemon-mirror:
Home >> Infiniti >> 2002 >> Q45 >> Repair and Diagnosis >> Body & Frame >> Windows >> Rear Window Defogger >> Wiring Diagram-DEF- >> Notes

Wiring Diagram-DEF-: Notes

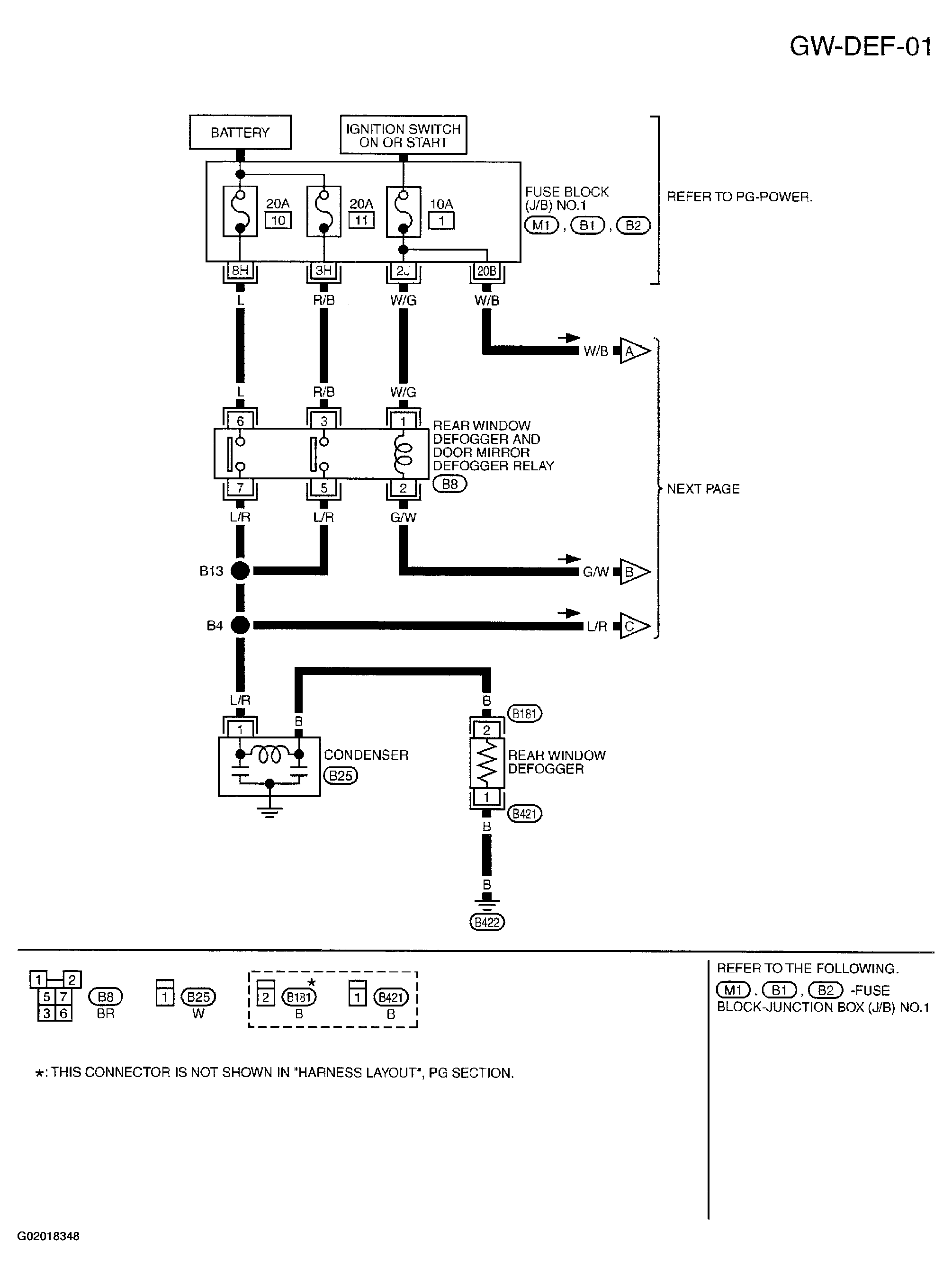
Fig 1: Rear Window Defogger Wiring Diagram And Identifying Connectors (1 Of 3)
G02018348Courtesy of NISSAN MOTOR CO., U.S.A.
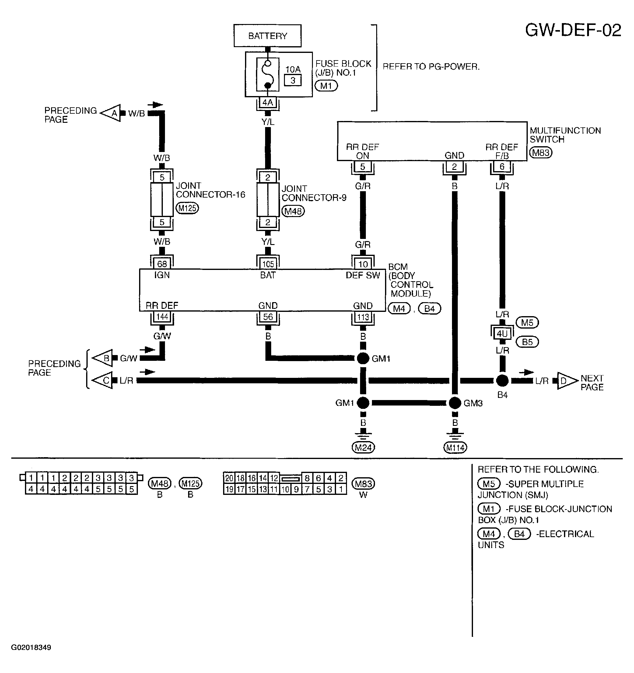
Fig 2: Rear Window Defogger Wiring Diagram And Identifying Connectors (2 Of 3)
G02018349Courtesy of NISSAN MOTOR CO., U.S.A.