lemon-mirror:
Home >> Infiniti >> 2002 >> Q45 >> Repair and Diagnosis >> Electrical >> Gauges >> Driver Information System >> Voice Activated Control System >> Schematic

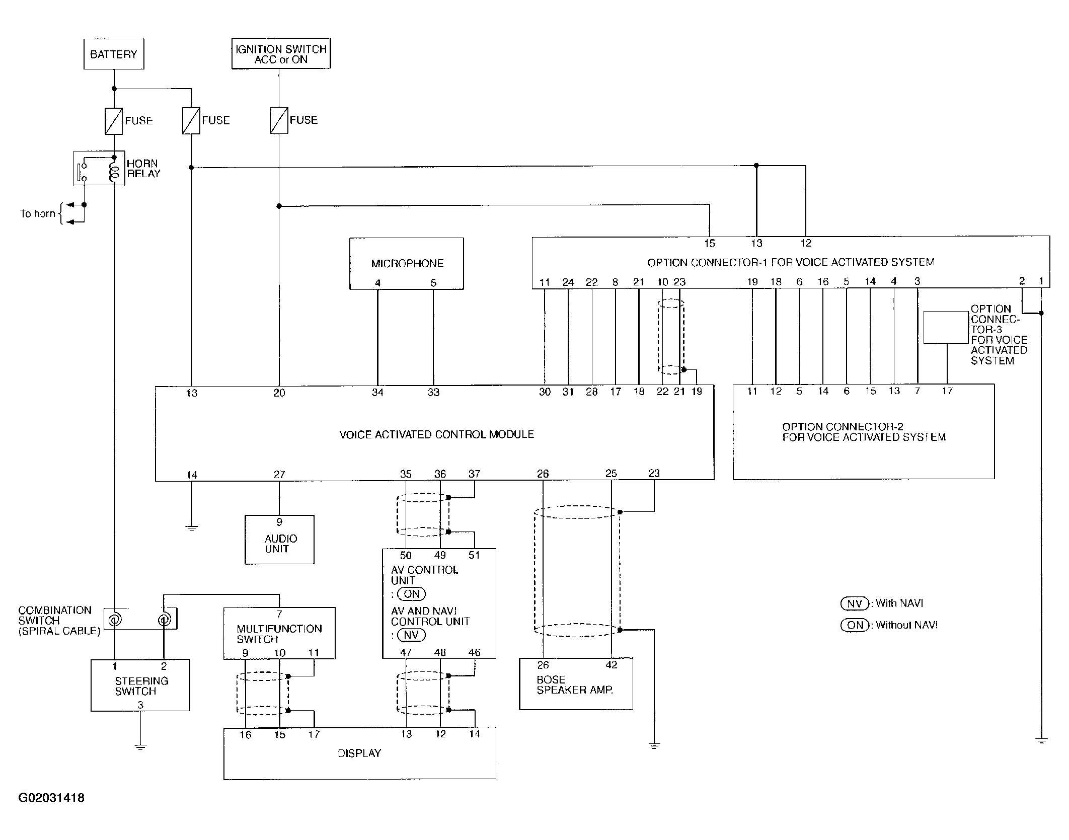
Voice Activated Control System: Schematic

Fig 1: Schematic
G02031418Courtesy of NISSAN MOTOR CO., U.S.A.