lemon-mirror:
Home >> Infiniti >> 2003 >> FX45 >> Repair and Diagnosis >> Body & Frame >> Body, Cab Control Systems >> BCS (Body Control System) >> BCM (Body Control Module) >> Schematic

BCM (Body Control Module): Schematic

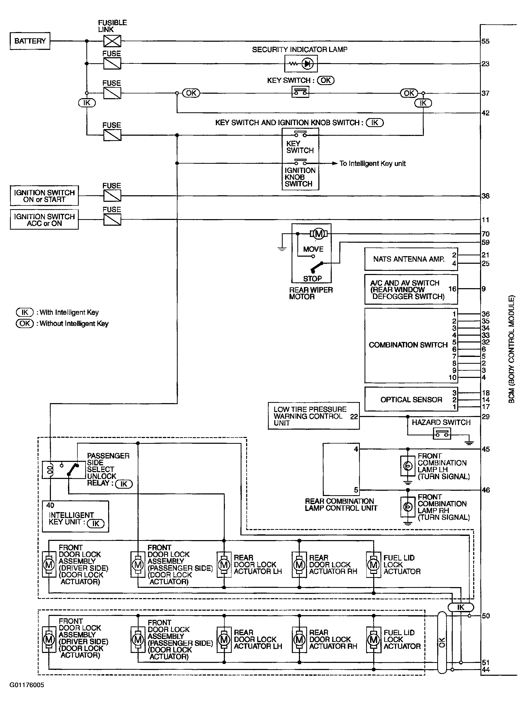
Fig 1: Schematic Diagram (1 Of 2)
G01176005Courtesy of NISSAN MOTOR CO., U.S.A.
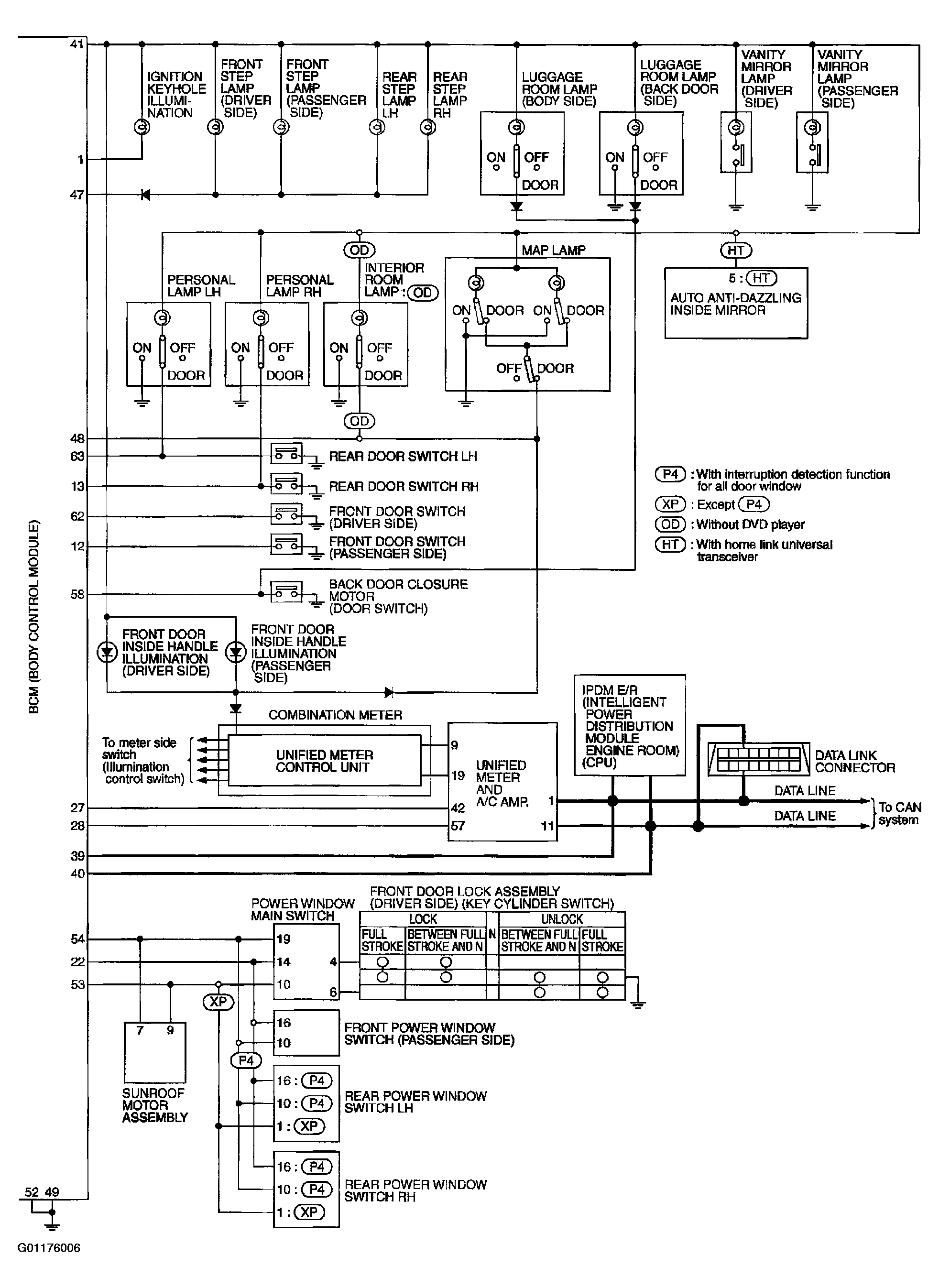
Fig 2: Schematic Diagram (2 Of 2)
G01176006Courtesy of NISSAN MOTOR CO., U.S.A.