lemon-mirror:
Home >> Infiniti >> 2003 >> FX45 >> Repair and Diagnosis >> Electrical >> Gauges >> Driver Information System >> Rear View Monitor >> Schematic

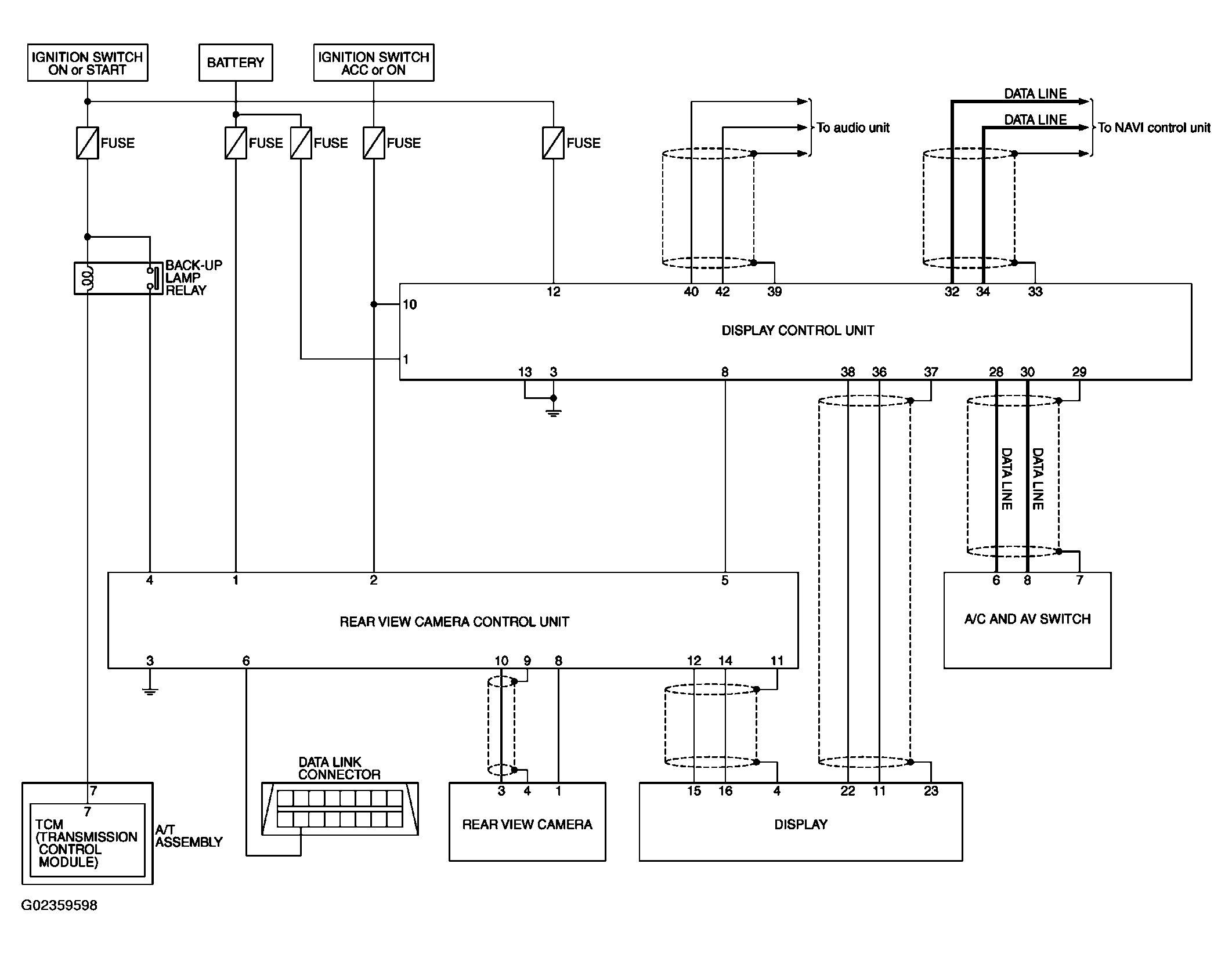
Rear View Monitor: Schematic

Fig 1: Schematic Diagram
G02359598Courtesy of NISSAN MOTOR CO., U.S.A.