lemon-mirror:
Home >> Infiniti >> 2003 >> FX45 >> Repair and Diagnosis >> Suspension >> Front Suspension >> Torque Specifications

Torque Specifications

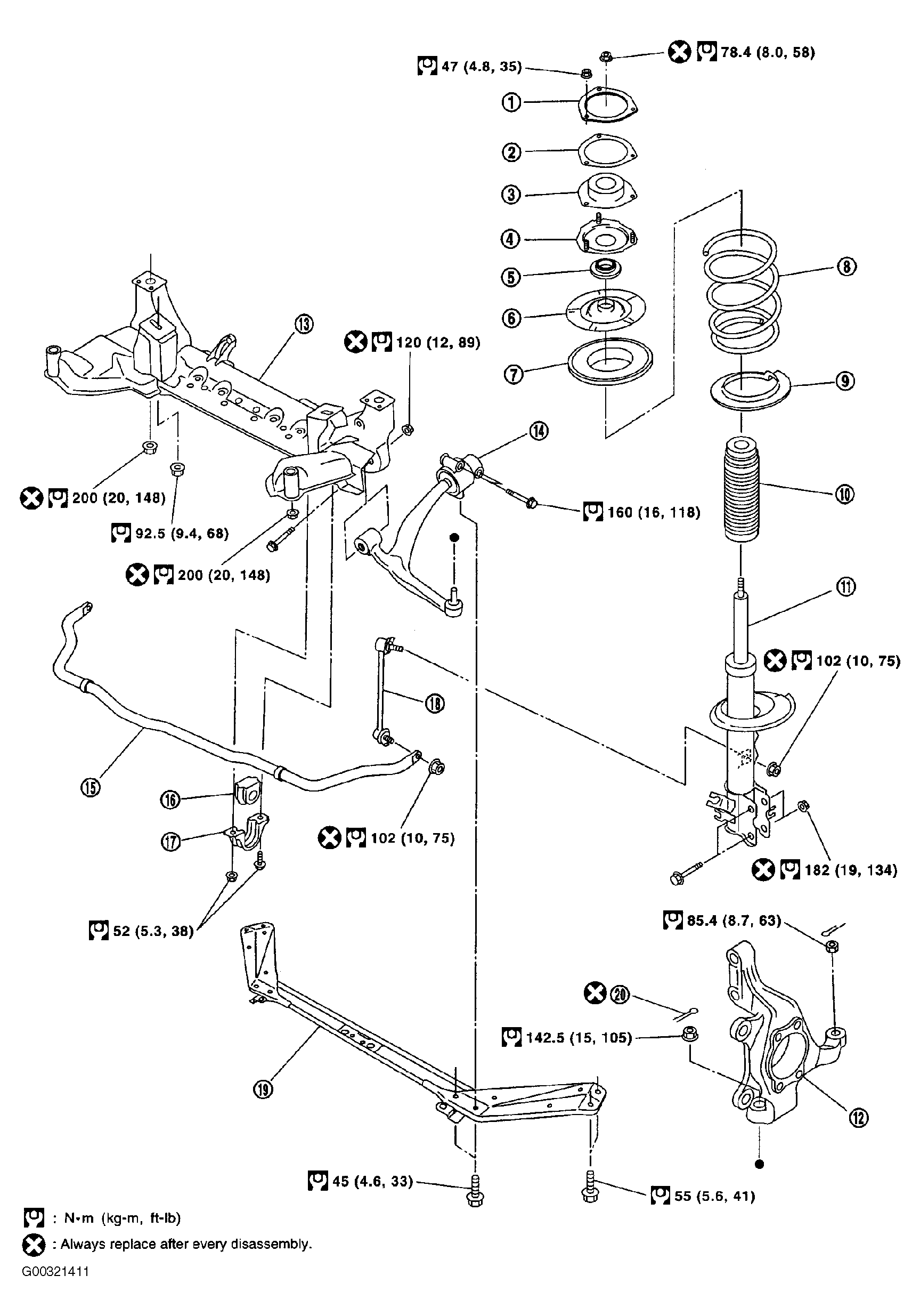
TORQUE SPECIFICATIONS

Application Ft. Lbs. (N.m)
Axle Shaft Nut (AWD) 203 (275)
Ball Joint Stud Nut 105 (142.5)
Brake Caliper Torque Member-To-Strut/Knuckle Bolt 116 (157)
Brake Caliper-To-Torque Member Bolt 20 (26.5)
Center Shock Absorber Nut 58 (78.4)
Front Suspension Member (1)
Lower Shock Absorber-To-Steering Knuckle 134 (182)
Stabilizer Connecting Rod Nut 75 (102)
Stabilizer Bushing Clamp Bolt/Nut 38 (52)
Tie Rod End Nut 63 (85)
Traverse Link (1)
Wheel Hub-To-Knuckle 77 (104)
(1) See Figure and Figure .