lemon-mirror:
Home >> Infiniti >> 2003 >> I35 >> Repair and Diagnosis >> Brakes >> Traction Control >> TCS >> Description >> Schematic

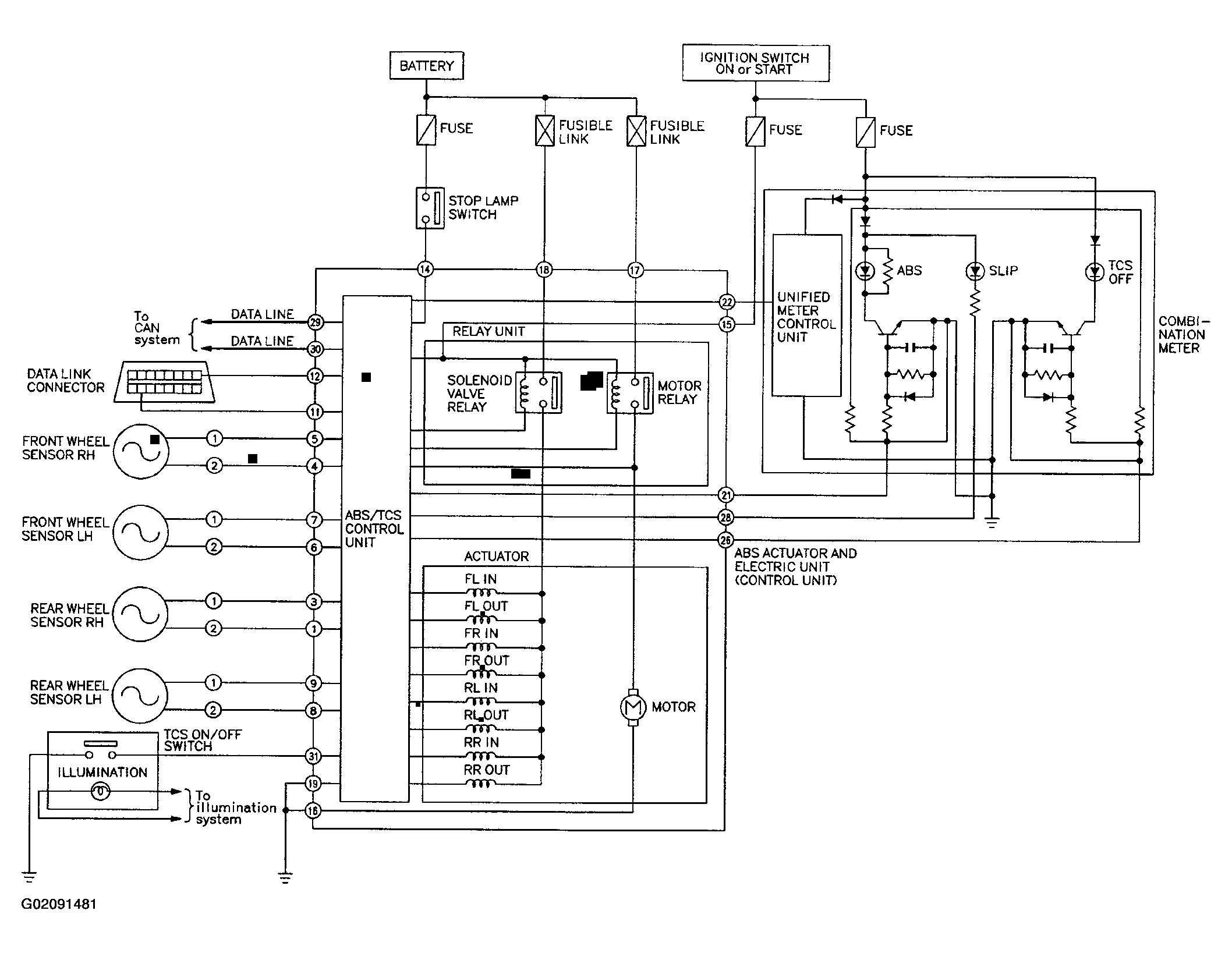
Traction Control: TCS: Description: Schematic

Fig 1: Identifying TCS Schematic
G02091481Courtesy of NISSAN MOTOR CO., U.S.A.