lemon-mirror:
Home >> Infiniti >> 2003 >> I35 >> Repair and Diagnosis >> Transmission >> Automatic Trans >> Automatic Transaxle >> Overall System >> Circuit Diagram

Circuit Diagram

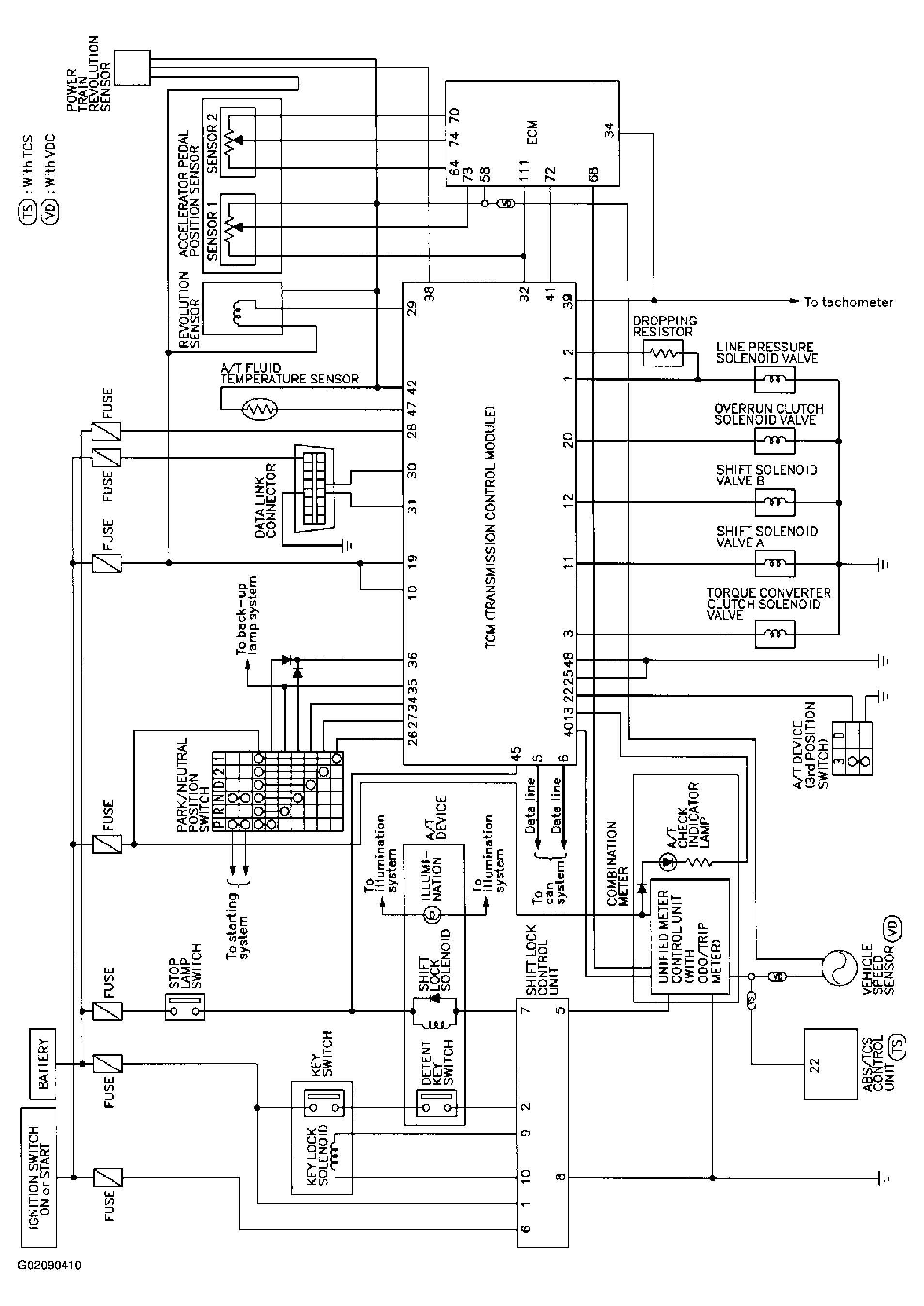
Fig 1: Identifying TCM Circuit
G02090410Courtesy of NISSAN MOTOR CO., U.S.A.