lemon-mirror:
Home >> Infiniti >> 2003 >> I35 >> Repair and Diagnosis >> Transmission >> Automatic Trans >> Automatic Transaxle >> Overall System >> Hydraulic Control Circuit

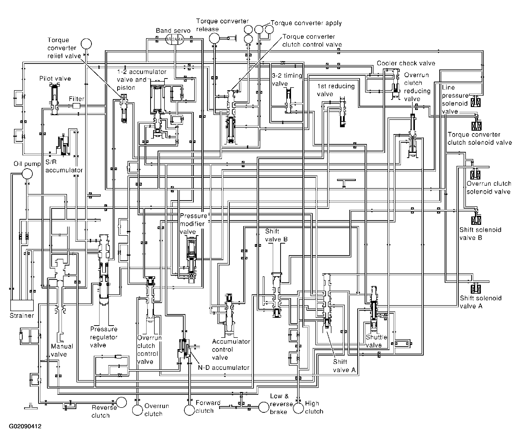
Hydraulic Control Circuit

Fig 1: Identifying A/T Hydraulic Control Circuit
G02090412Courtesy of NISSAN MOTOR CO., U.S.A.