lemon-mirror:
Home >> Infiniti >> 2003 >> M45 >> Repair and Diagnosis >> Electrical >> Gauges >> Voice Activated Control System >> Voice Activated Control System >> Schematic

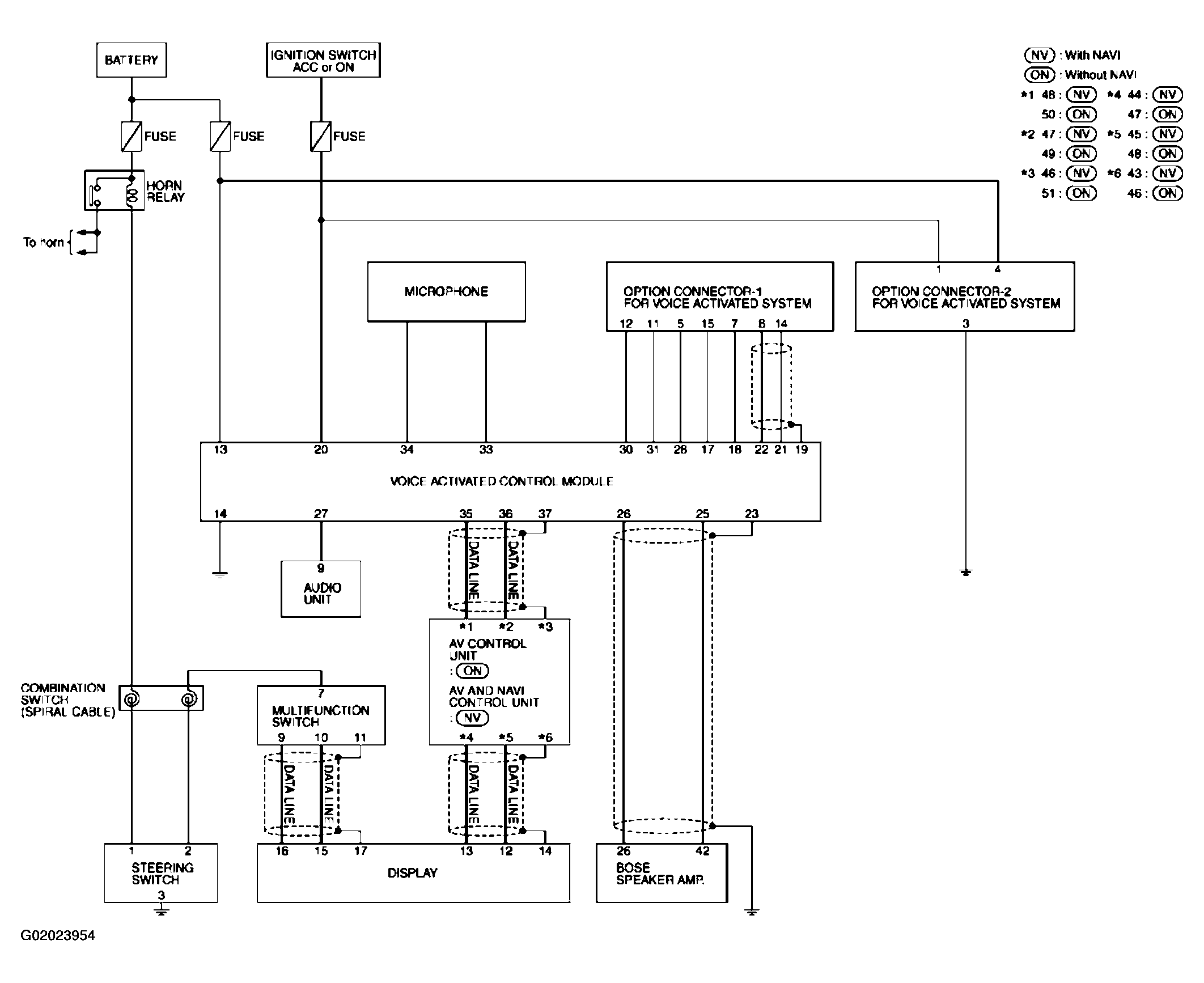
Voice Activated Control System: Schematic

Fig 1: Voice Activated Control System Schematic
G02023954Courtesy of NISSAN MOTOR CO., U.S.A.