lemon-mirror:
Home >> Infiniti >> 2003 >> Q45 >> Repair and Diagnosis >> Brakes >> Brakes Control Systems >> Brake Control System >> System Description >> System Diagram

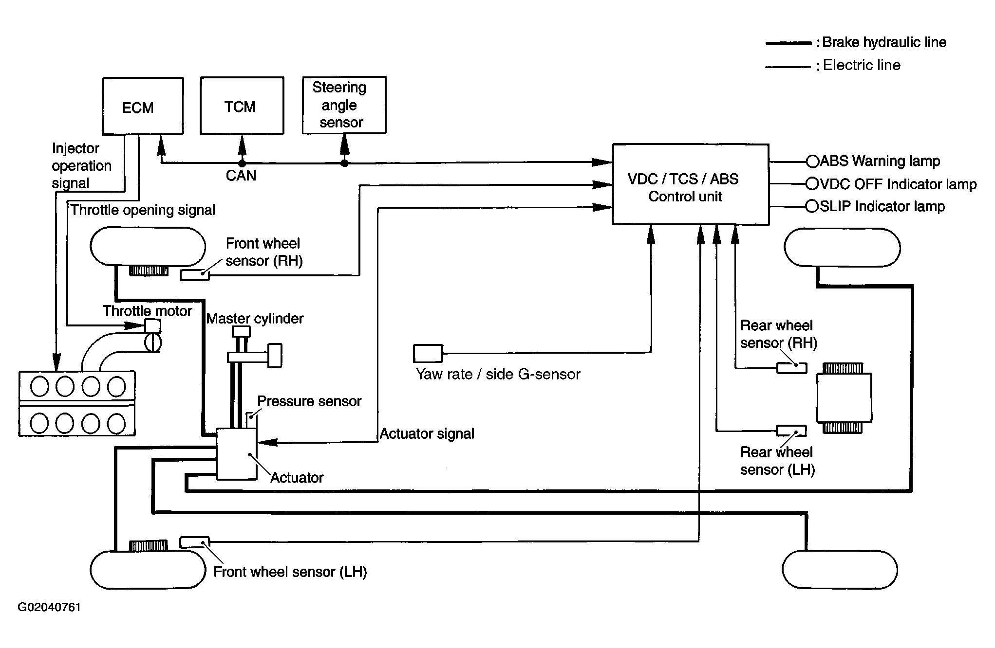
System Diagram

Fig 1: System Diagram
G02040761Courtesy of NISSAN MOTOR CO., U.S.A.