lemon-mirror:
Home >> Infiniti >> 2003 >> Q45 >> Repair and Diagnosis >> Transmission >> Automatic Trans >> Automatic Transaxle >> Overhaul >> Components

Automatic Transaxle: Overhaul: Components

Fig 1: Exploded View Of Overhaul Components (1 Of 3)
G02038122Courtesy of NISSAN MOTOR CO., U.S.A.
Fig 2: Exploded View Of Overhaul Components (2 Of 3)
G02038123Courtesy of NISSAN MOTOR CO., U.S.A.
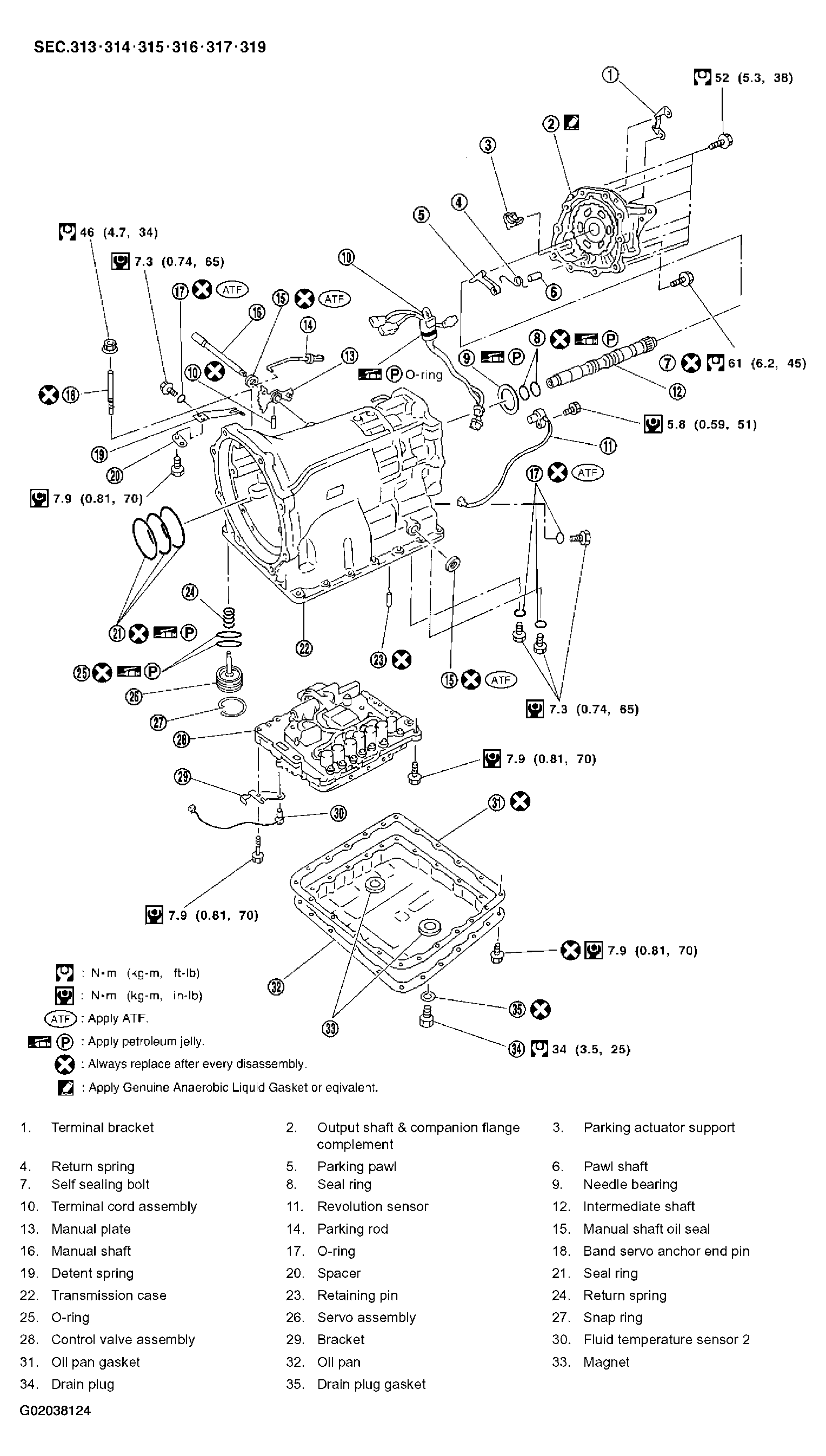
Fig 3: Exploded View Of Overhaul Components (3 Of 3)
G02038124Courtesy of NISSAN MOTOR CO., U.S.A.