lemon-mirror:
Home >> Infiniti >> 2003 >> QX4 4WD >> Repair and Diagnosis >> Transmission >> Transfer Case >> All-Mode 4WD System >> Control System >> Hydraulic Control Circuits

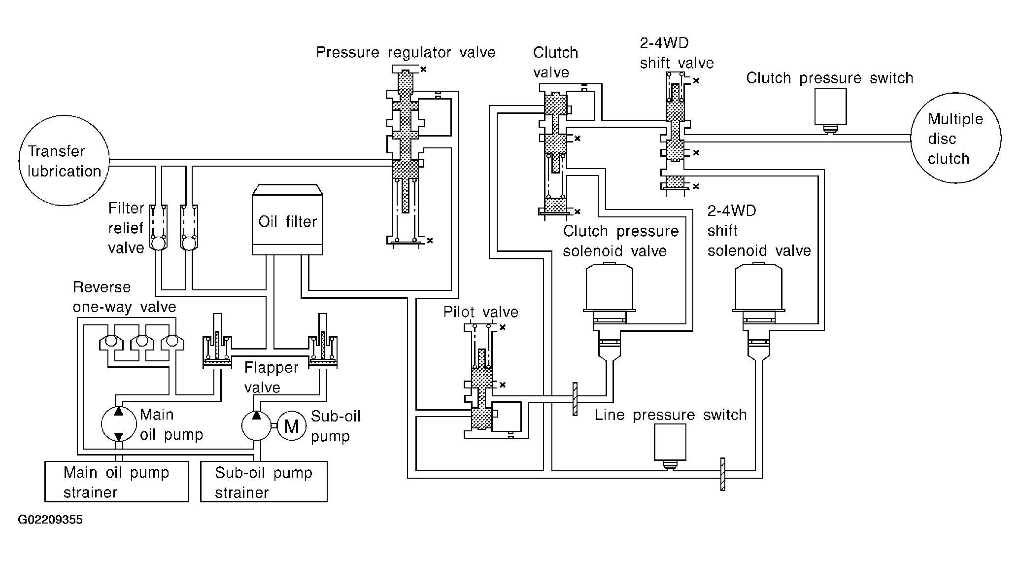
Hydraulic Control Circuits

Fig 1: Displaying All-Mode 4WD System Hydraulic Control Circuits
G02209355Courtesy of NISSAN MOTOR CO., U.S.A.