lemon-mirror:
Home >> Infiniti >> 2003 >> QX4 RWD >> Repair and Diagnosis >> Brakes >> Traction Control >> Abs >> Description >> Schematic

Traction Control: Abs: Description: Schematic

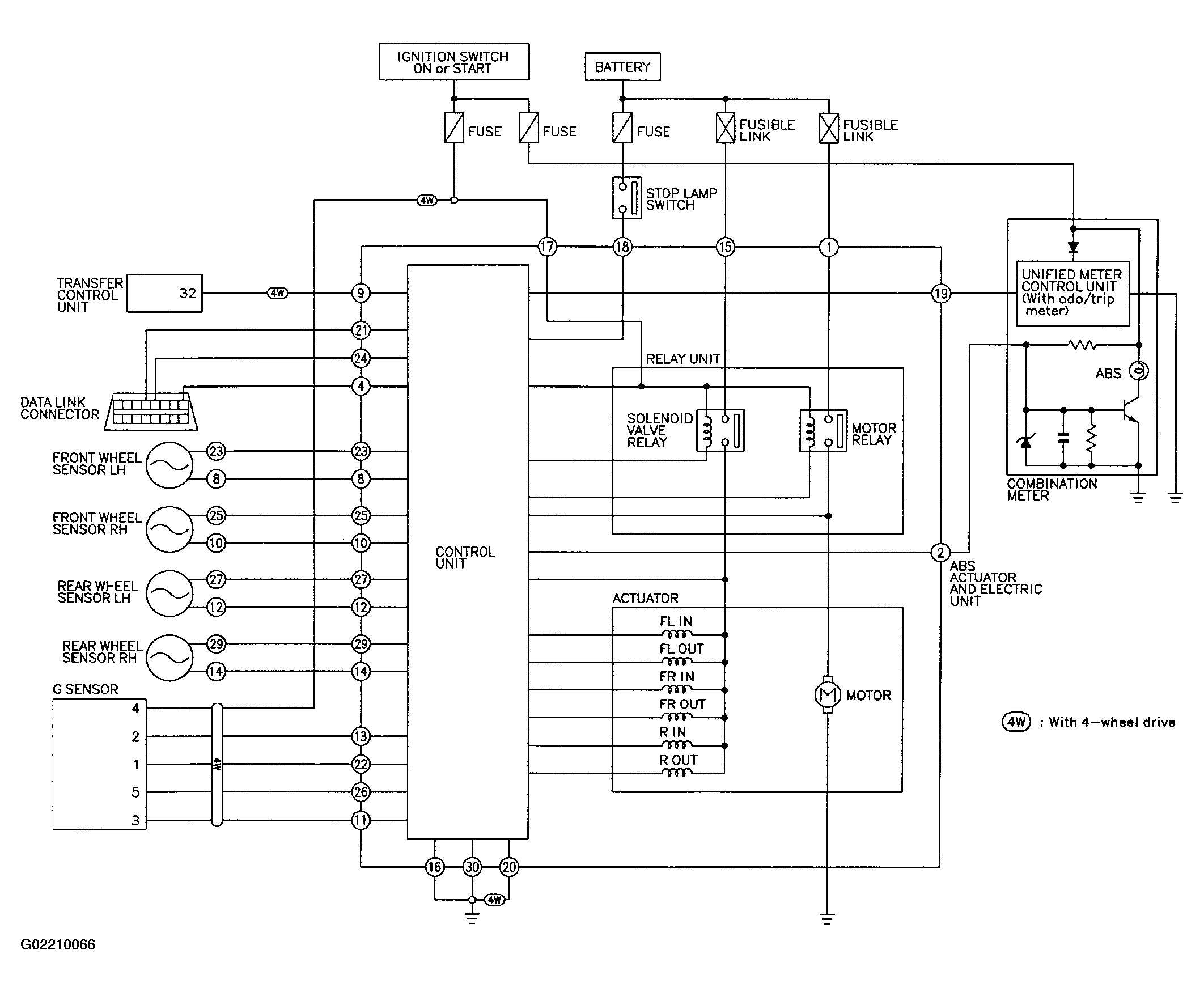
Fig 1: Schematic Diagram
G02210066Courtesy of NISSAN MOTOR CO., U.S.A.