lemon-mirror:
Home >> Infiniti >> 2004 >> FX45 >> Repair and Diagnosis >> Engine Performance >> Engine Control System >> ASCD Indicator >> Wiring Diagram

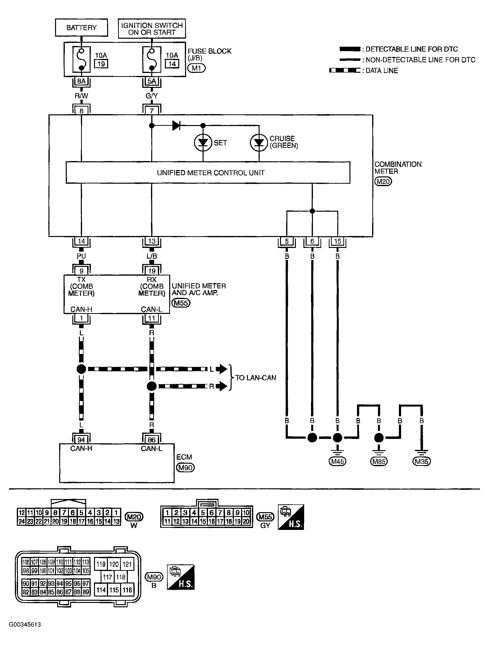
ASCD Indicator: Wiring Diagram

NOTE: For system wiring diagrams, see SYSTEM WIRING DIAGRAMS .
Fig 1: Combination Meter Circuit
G00345613Courtesy of NISSAN MOTOR CO., U.S.A.