lemon-mirror:
Home >> Infiniti >> 2004 >> FX45 >> Repair and Diagnosis >> Engine Performance >> Engine Control System >> DTC P1128 Throttle Control Motor >> Diagnostic Procedure

Diagnostic Procedure

  1. Check Ground Connections 
    1. Turn ignition switch OFF.
    2. Loosen and retighten three ground screws on the body. See Figure .

      Refer to GROUND INSPECTION  .

    OK or NG

    1. OK: go to 2.
    2. NG: Repair or replace ground connections.

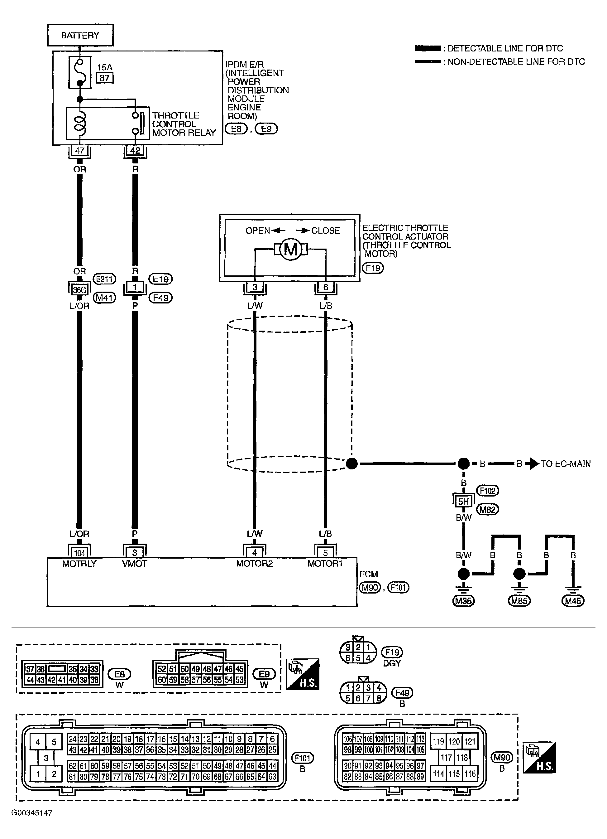
  2. Check Throttle Control Motor Output Signal Circuit For Open Or Short 
    1. Disconnect electric throttle control actuator harness connector.
    2. Disconnect ECM harness connector. See Figure .
    3. Check harness continuity between the following terminals. See Figure . Refer to wiring diagram. See Figure .
    4. Also check harness for short to ground and short to power.

    OK or NG

    1. OK: go to 3.
    2. NG: Repair or replace.

  3. Check Throttle Control Motor 

    Refer to COMPONENT INSPECTION  .

    OK or NG

    1. OK: go to 4.
    2. NG: go to 5.

  4. Check Intermittent Incident 

    Refer to TROUBLE DIAGNOSIS FOR INTERMITTENT INCIDENT  .

    OK or NG

    1. OK: go to 5.
    2. NG: Repair or replace harness or connectors.

  5. Replace Electric Throttle Control Actuator 
    1. Replace the electric throttle control actuator.
    2. Perform THROTTLE VALVE CLOSED POSITION LEARNING  .
    3. Perform IDLE AIR VOLUME LEARNING  .
      1. Inspection end