lemon-mirror:
Home >> Infiniti >> 2004 >> FX45 >> Repair and Diagnosis >> Engine Performance >> Engine Control System >> Snow Mode Switch >> Wiring Diagram

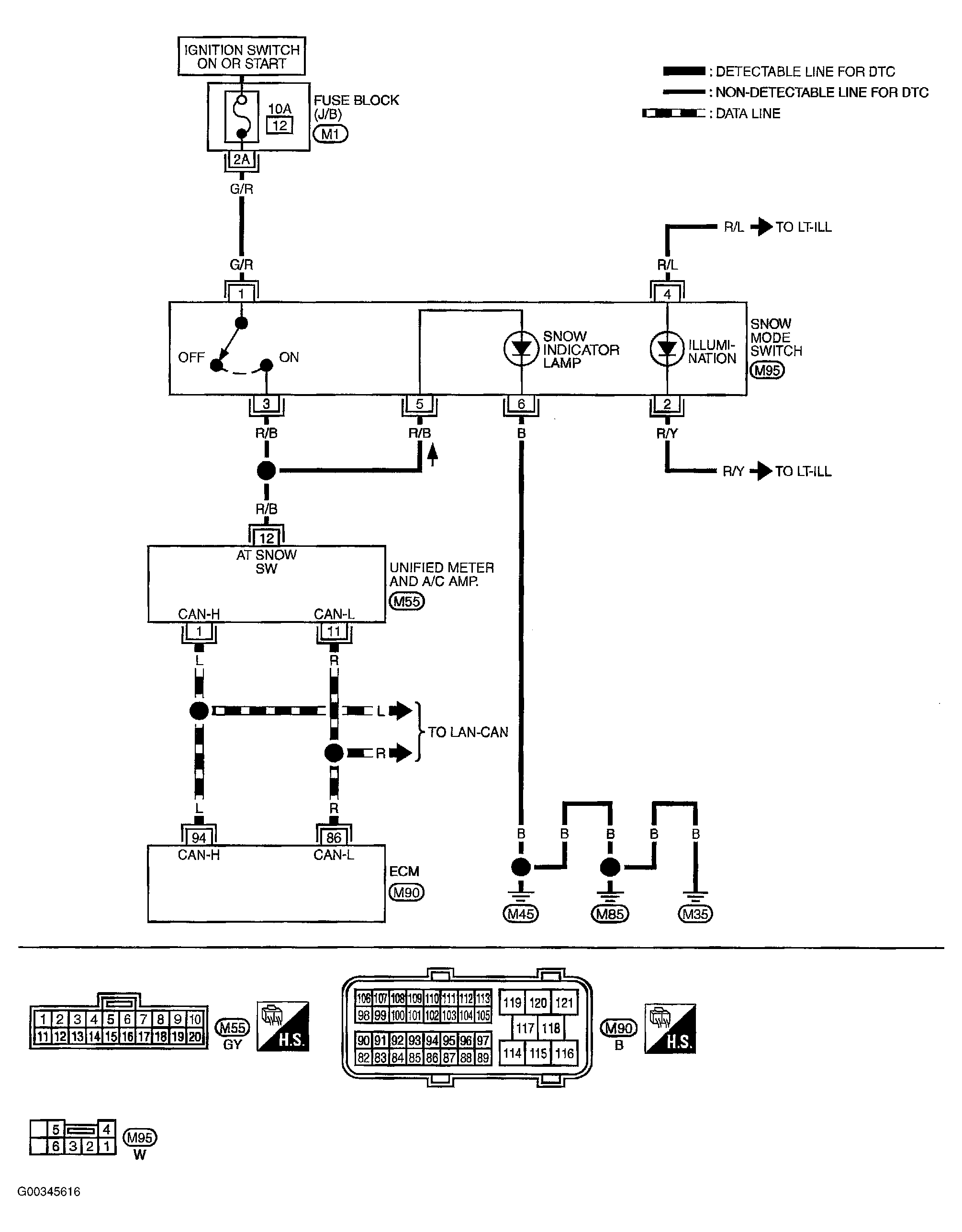
Snow Mode Switch: Wiring Diagram

NOTE: For system wiring diagrams, see SYSTEM WIRING DIAGRAMS .
Fig 1: Snow Mode Switch Circuit
G00345616Courtesy of NISSAN MOTOR CO., U.S.A.