lemon-mirror:
Home >> Infiniti >> 2004 >> FX45 >> Repair and Diagnosis >> Engine Performance >> Engine Control System >> Trouble Diagnosis >> Circuit Diagram

Circuit Diagram

NOTE: For system wiring diagrams, see SYSTEM WIRING DIAGRAMS .
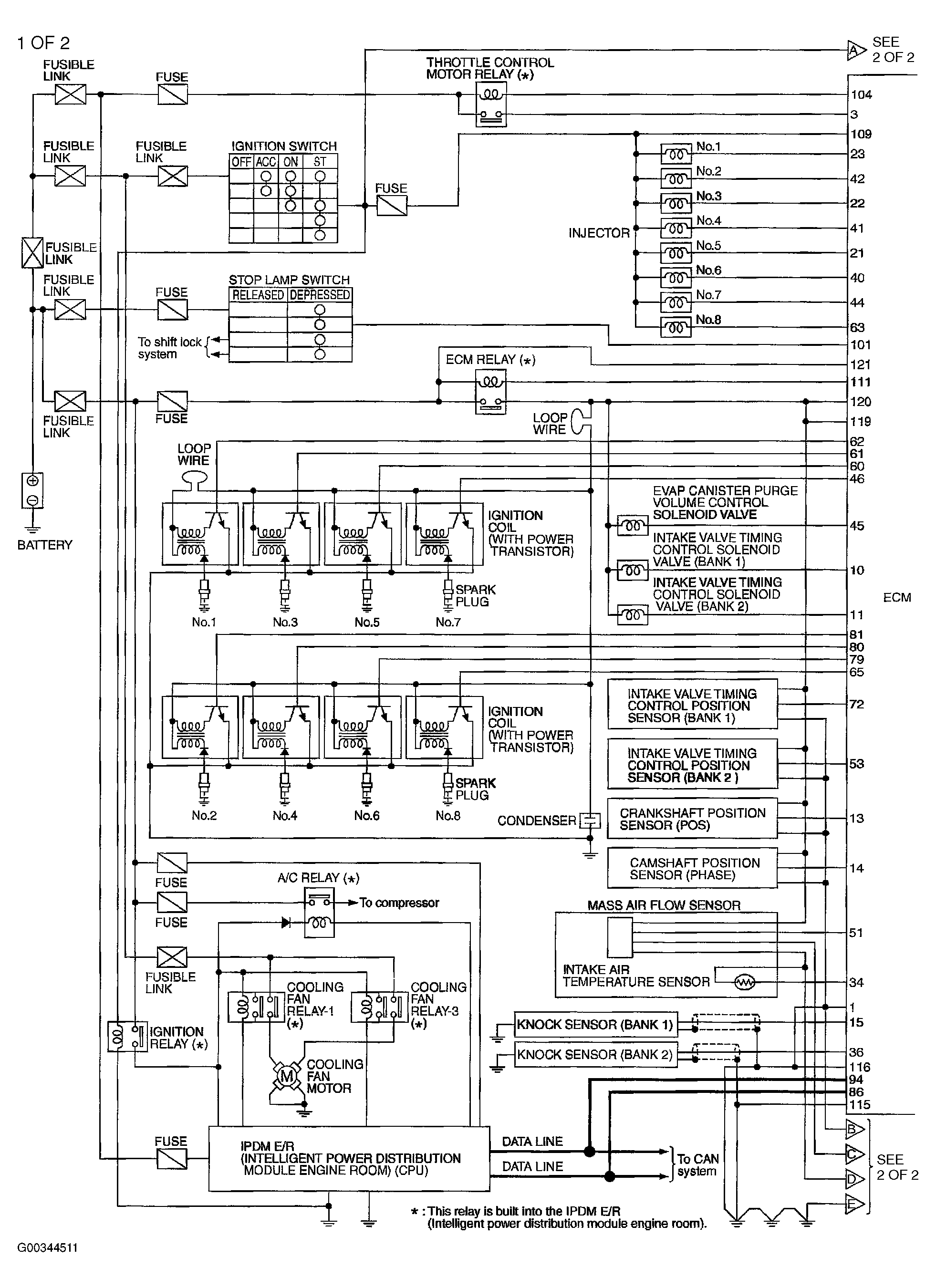
Fig 1: Engine Control Circuit (1 Of 2)
G00344511Courtesy of NISSAN MOTOR CO., U.S.A.
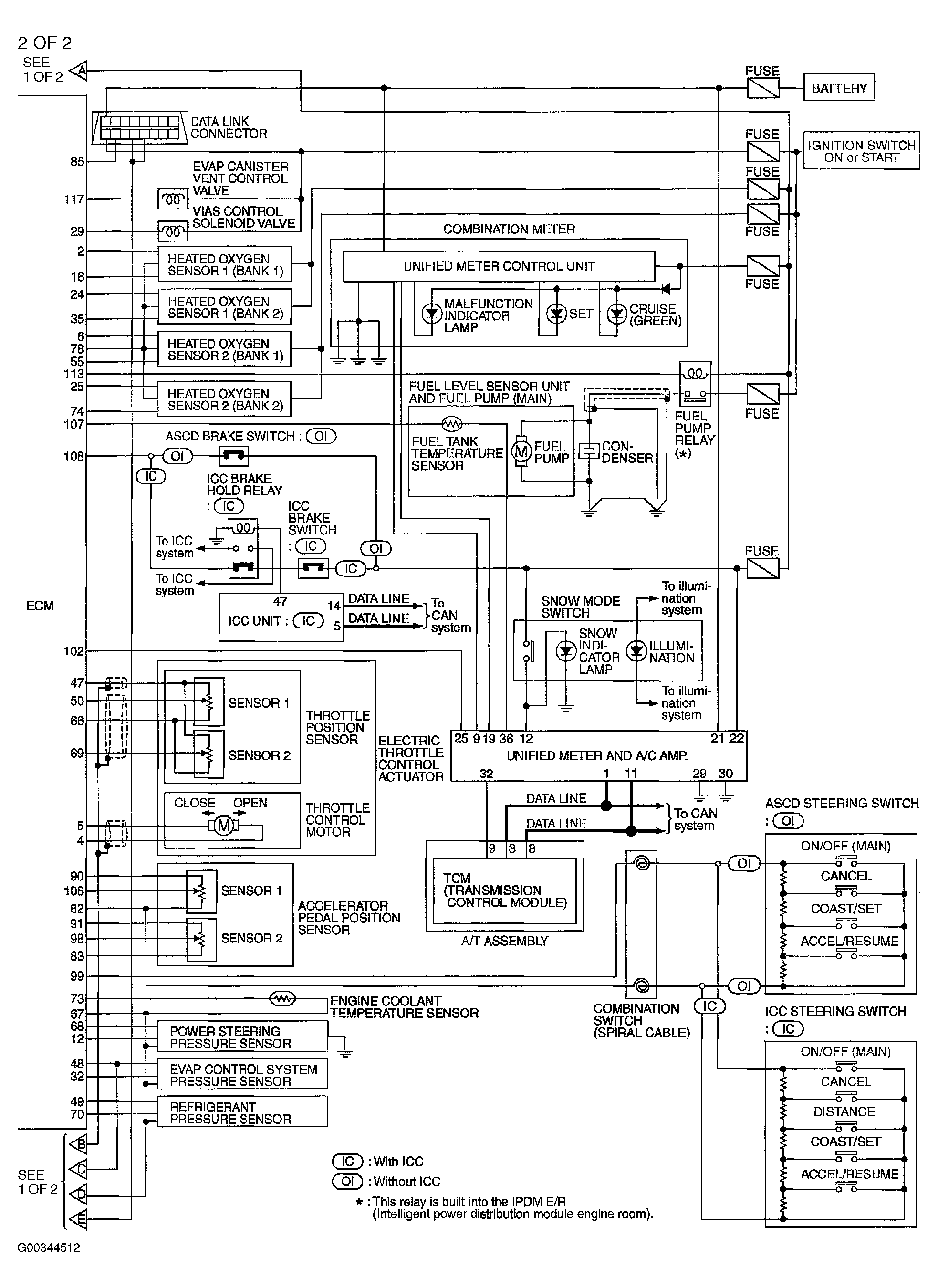
Fig 2: Engine Control Circuit (1 Of 2)
G00344512Courtesy of NISSAN MOTOR CO., U.S.A.