lemon-mirror:
Home >> Infiniti >> 2004 >> I35 >> Repair and Diagnosis >> Brakes >> Traction Control >> Brake Control System - TCS >> Schematic

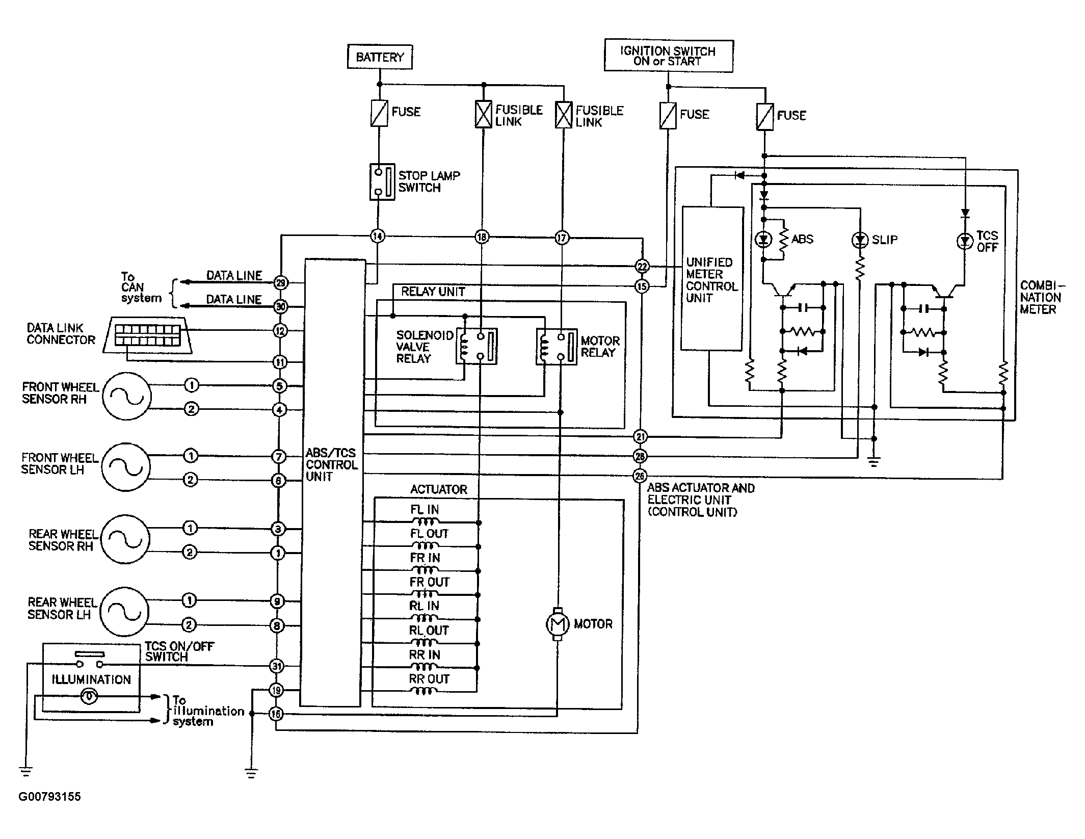
Brake Control System - TCS: Schematic

Fig 1: TCS Schematic
G00793155Courtesy of NISSAN MOTOR CO., U.S.A.