lemon-mirror:
Home >> Infiniti >> 2004 >> I35 >> Repair and Diagnosis >> Transmission >> Automatic Trans >> Automatic Transaxle >> Overall System >> Circuit Diagram

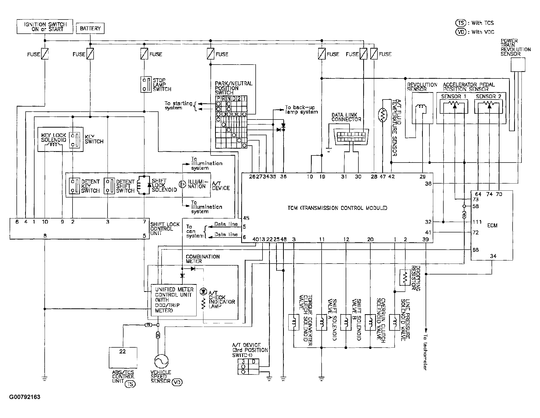
Circuit Diagram

Fig 1: Circuit Diagram Overall System
G00792163Courtesy of NISSAN MOTOR CO., U.S.A.