lemon-mirror:
Home >> Infiniti >> 2004 >> M45 >> Repair and Diagnosis >> Body & Frame >> Door Locks >> Remote Keyless Entry >> Remote Keyless Entry System >> Schematic

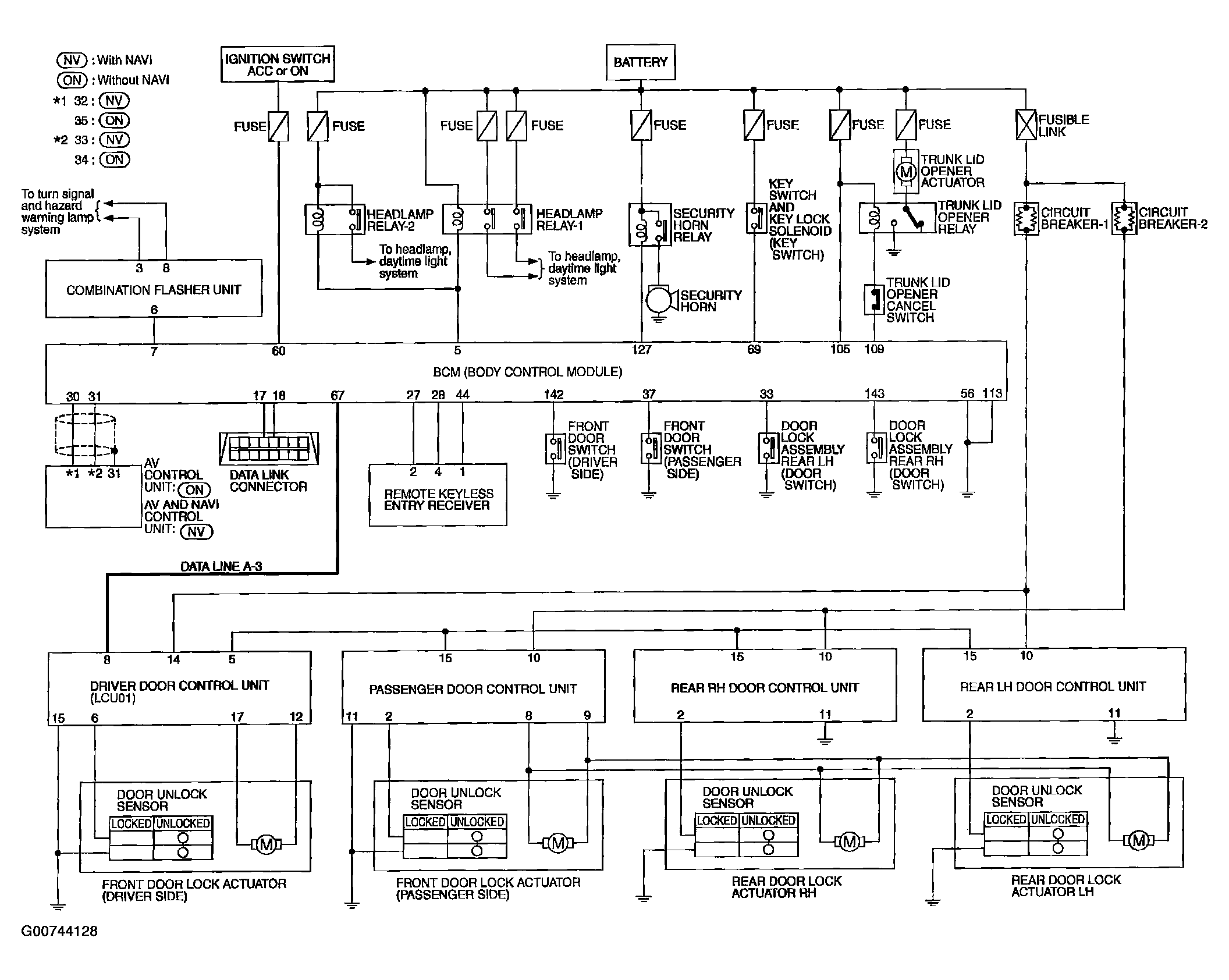
Remote Keyless Entry System: Schematic

Fig 1: Schematic
G00744128Courtesy of NISSAN MOTOR CO., U.S.A.