lemon-mirror:
Home >> Infiniti >> 2004 >> M45 >> Repair and Diagnosis >> Engine Performance >> Engine Control System >> DTC P0171, P0174: Fuel Injection System Function >> Wiring Diagram >> Bank 1

Bank 1

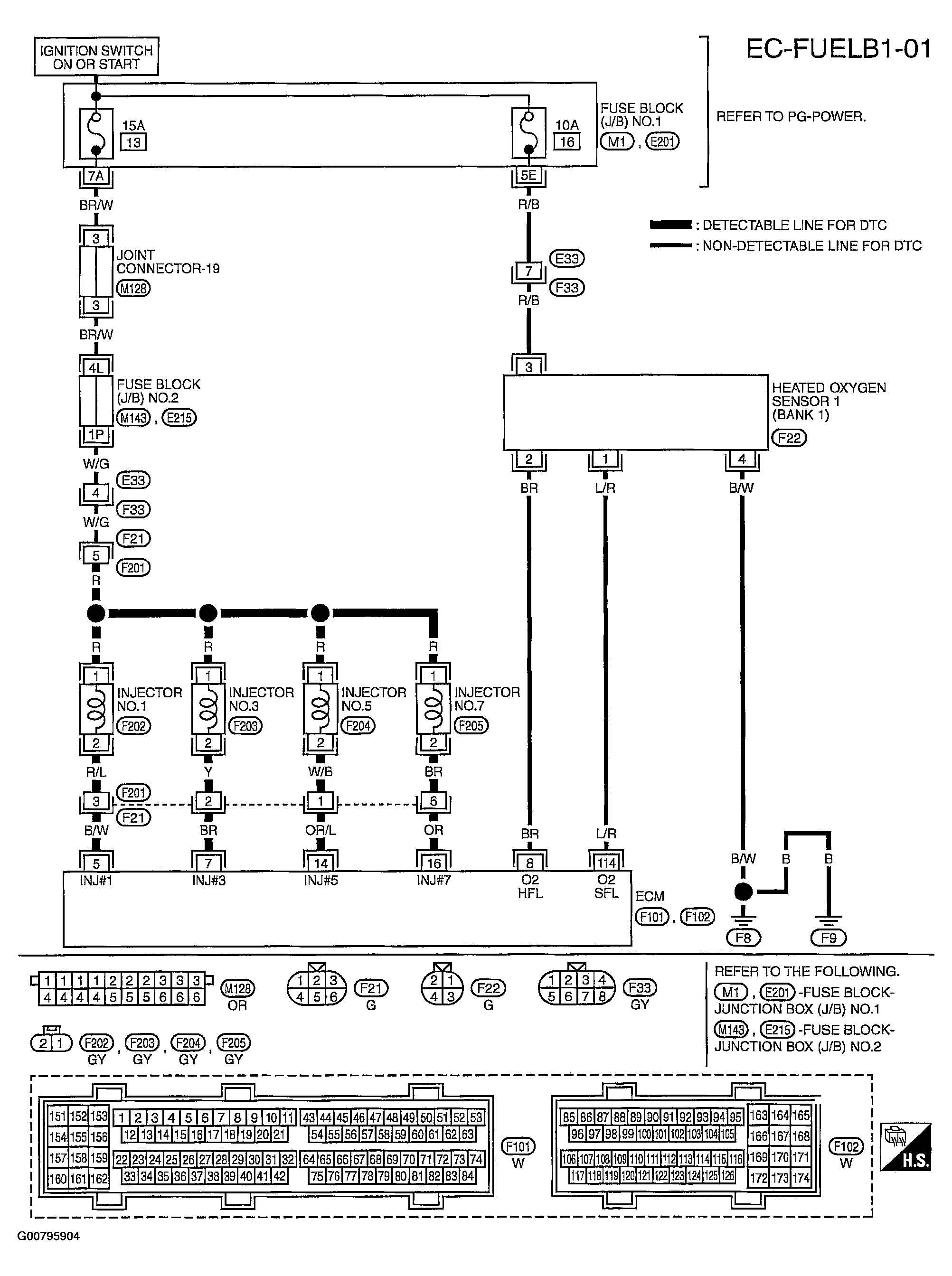
Fig 1: Circuit Diagram - Fuel Injection - Bank 1 - EC-FUELB1-01
G00795904Courtesy of NISSAN MOTOR CO., U.S.A.