lemon-mirror:
Home >> Infiniti >> 2004 >> M45 >> Repair and Diagnosis >> Engine Performance >> Engine Control System >> DTC P1229: Sensor Power Supply >> Wiring Diagram

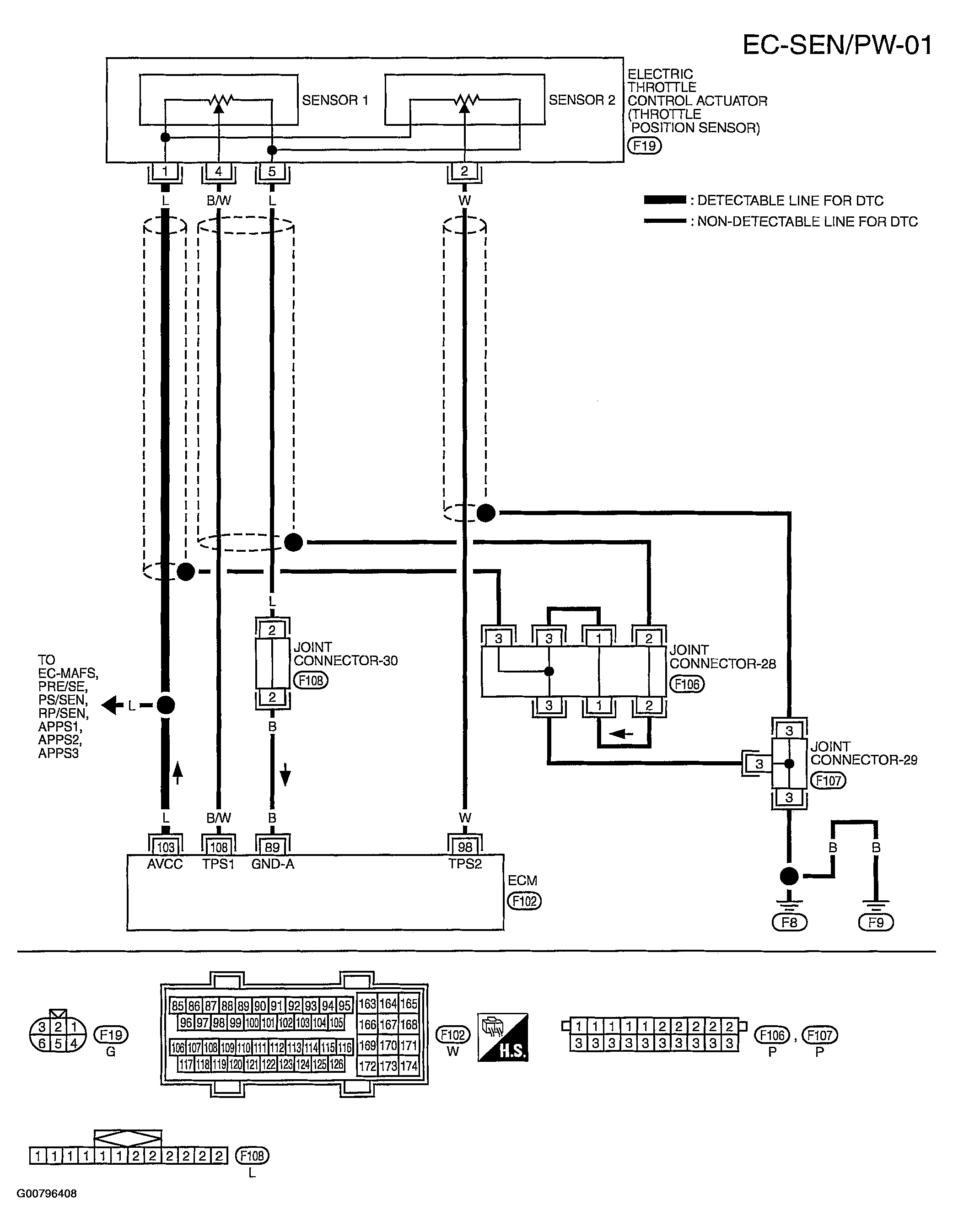
DTC P1229: Sensor Power Supply: Wiring Diagram

Fig 1: Circuit Diagram - Sensor Power Supply - EC-SEN/PW-01
G00796408Courtesy of NISSAN MOTOR CO., U.S.A.

Specification data are reference values and are measured between each terminal and ground.

CAUTION: Do not use ECM ground terminals when measuring input/output voltage. Doing so may result in damage to the ECM's transistor. Use a ground other than ECM terminals, such as the ground.
Fig 2: Terminal Testing & Conditions Chart
G00796409Courtesy of NISSAN MOTOR CO., U.S.A.