lemon-mirror:
Home >> Infiniti >> 2004 >> M45 >> Repair and Diagnosis >> Engine Performance >> Engine Control System >> Data Link Connector >> Wiring Diagram

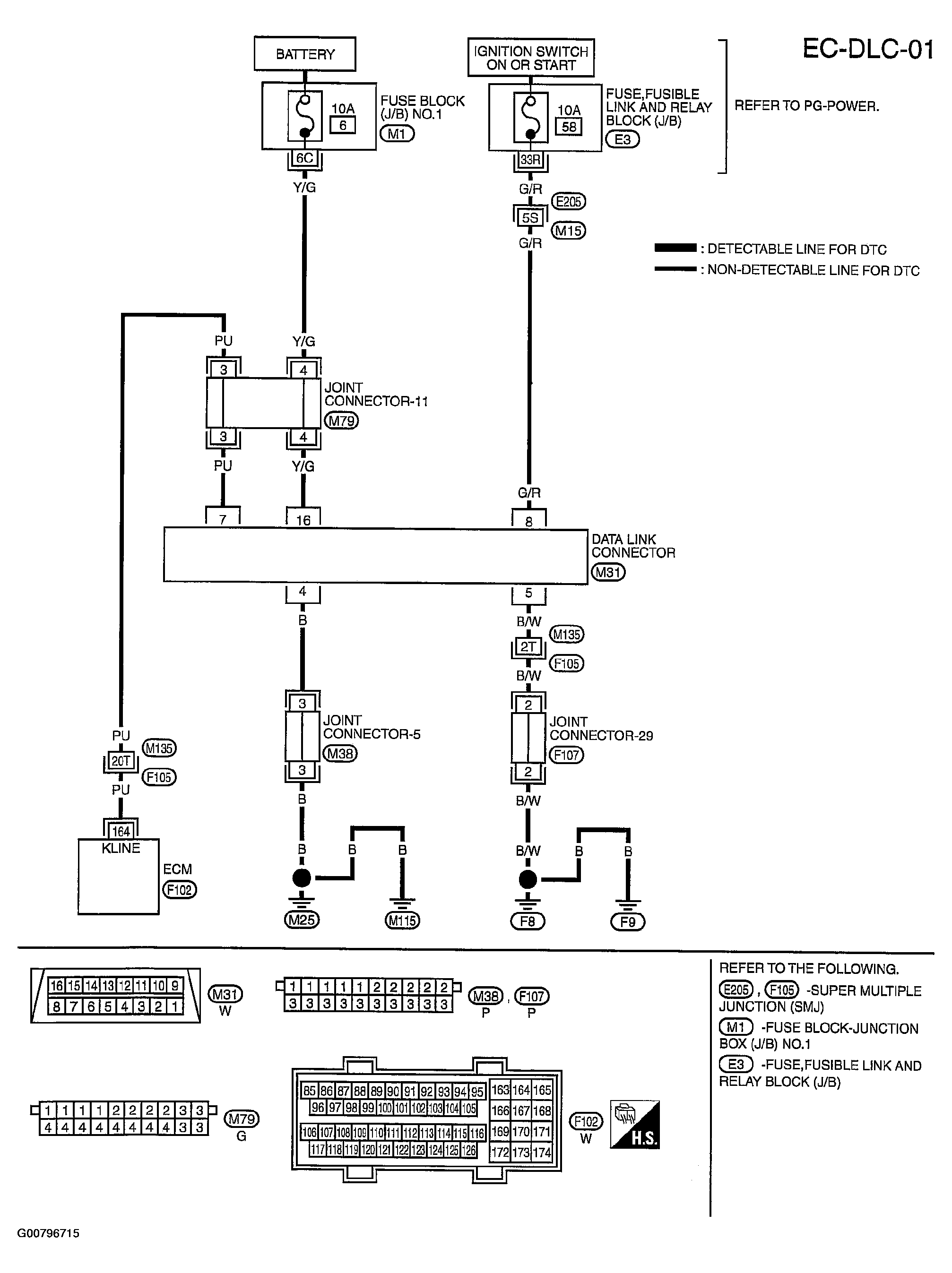
Data Link Connector: Wiring Diagram

Fig 1: Circuit Diagram - Data Link Connector - EC-DLC-01
G00796715Courtesy of NISSAN MOTOR CO., U.S.A.