lemon-mirror:
Home >> Infiniti >> 2004 >> M45 >> Repair and Diagnosis >> Engine Performance >> Engine Control System >> Electrical Load Signal >> Wiring Diagram

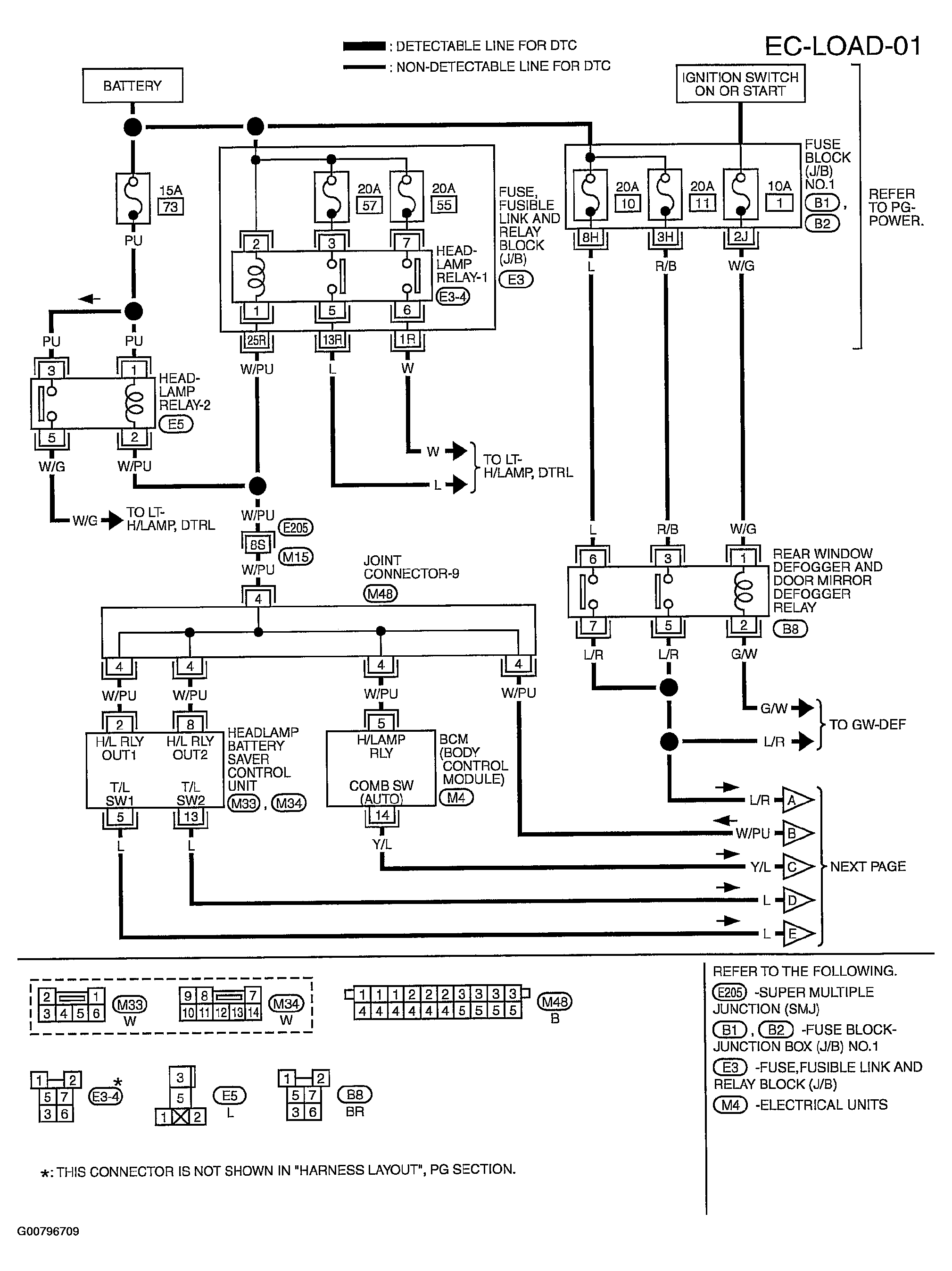
Electrical Load Signal: Wiring Diagram

Fig 1: Circuit Diagram - Electrical Load Signal (1 Of 2) - EC-LOAD-01
G00796709Courtesy of NISSAN MOTOR CO., U.S.A.
Fig 2: Circuit Diagram - Electrical Load Signal (2 Of 2) - EC-LOAD-02
G00796710Courtesy of NISSAN MOTOR CO., U.S.A.