lemon-mirror:
Home >> Infiniti >> 2004 >> M45 >> Repair and Diagnosis >> Engine Performance >> Engine Control System >> Refrigerant Pressure Sensor >> Wiring Diagram

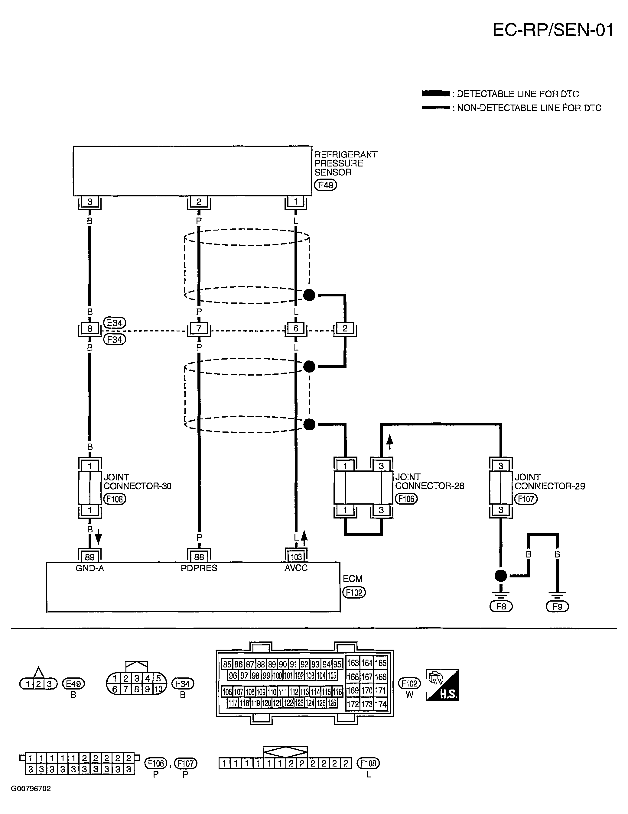
Refrigerant Pressure Sensor: Wiring Diagram

Fig 1: Circuit Diagram - Refrigerant Pressure Sensor - EC-RP/SEN-01
G00796702Courtesy of NISSAN MOTOR CO., U.S.A.

Specification data are reference values and are measured between each terminal and ground.

CAUTION: Do not use ECM ground terminals when measuring input/output voltage. Doing so may result in damage to the ECM's transistor. Use a ground other than ECM terminals, such as the ground.
Fig 2: Terminal Testing & Conditions Chart
G00796703Courtesy of NISSAN MOTOR CO., U.S.A.