lemon-mirror:
Home >> Infiniti >> 2004 >> M45 >> Repair and Diagnosis >> Engine Performance >> Engine Control System >> Trouble Diagnosis >> Circuit Diagram

Circuit Diagram

Fig 1: Locating Engine System Electrical Components (1 Of 2)
G00795579Courtesy of NISSAN MOTOR CO., U.S.A.
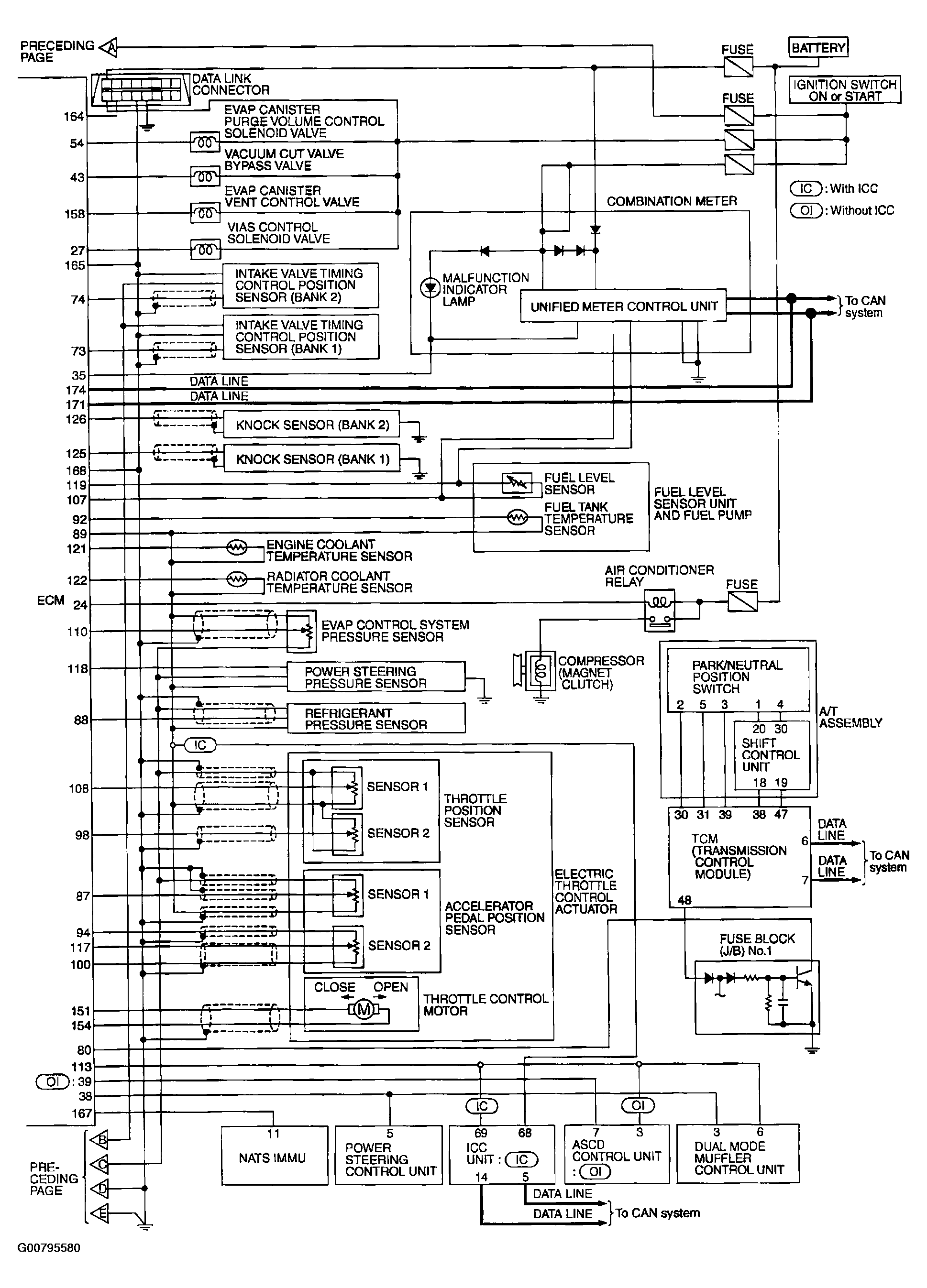
Fig 2: Locating Engine System Electrical Components (2 Of 2)
G00795580Courtesy of NISSAN MOTOR CO., U.S.A.