lemon-mirror:
Home >> Infiniti >> 2004 >> M45 >> Repair and Diagnosis >> Transmission >> Automatic Trans >> Automatic Transmission >> Overhaul >> Components

Automatic Transmission: Overhaul: Components

Fig 1: Identifying Transmission Components (1 Of 3)
G00750962Courtesy of NISSAN MOTOR CO., U.S.A.
Fig 2: Identifying Transmission Components (2 Of 3)
G00750963Courtesy of NISSAN MOTOR CO., U.S.A.
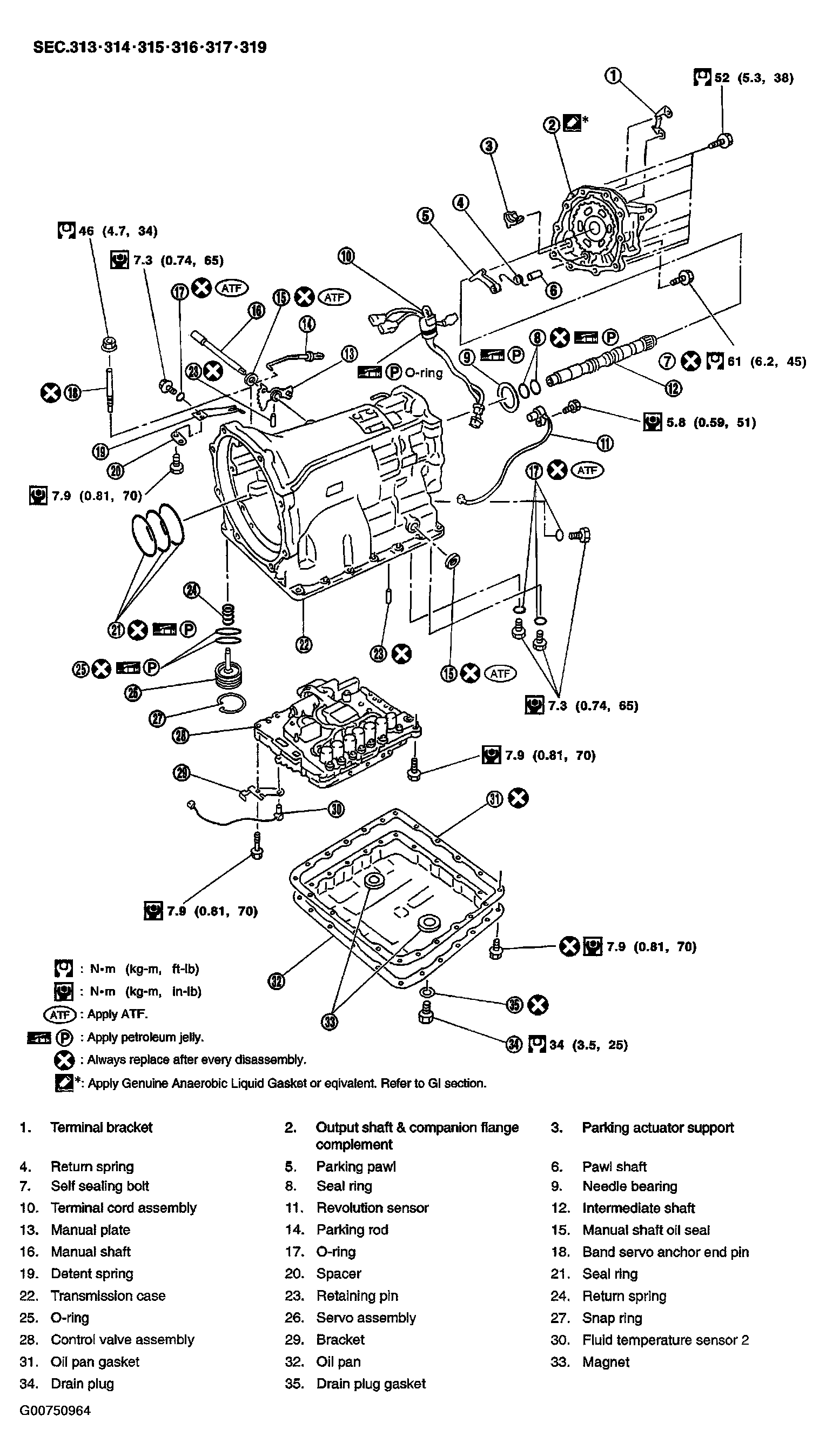
Fig 3: Identifying Transmission Components (3 Of 3)
G00750964Courtesy of NISSAN MOTOR CO., U.S.A.