lemon-mirror:
Home >> Infiniti >> 2004 >> Q45 >> Repair and Diagnosis >> Body & Frame >> Door Locks >> Remote Keyless Entry >> Auto Trunk System >> Schematic

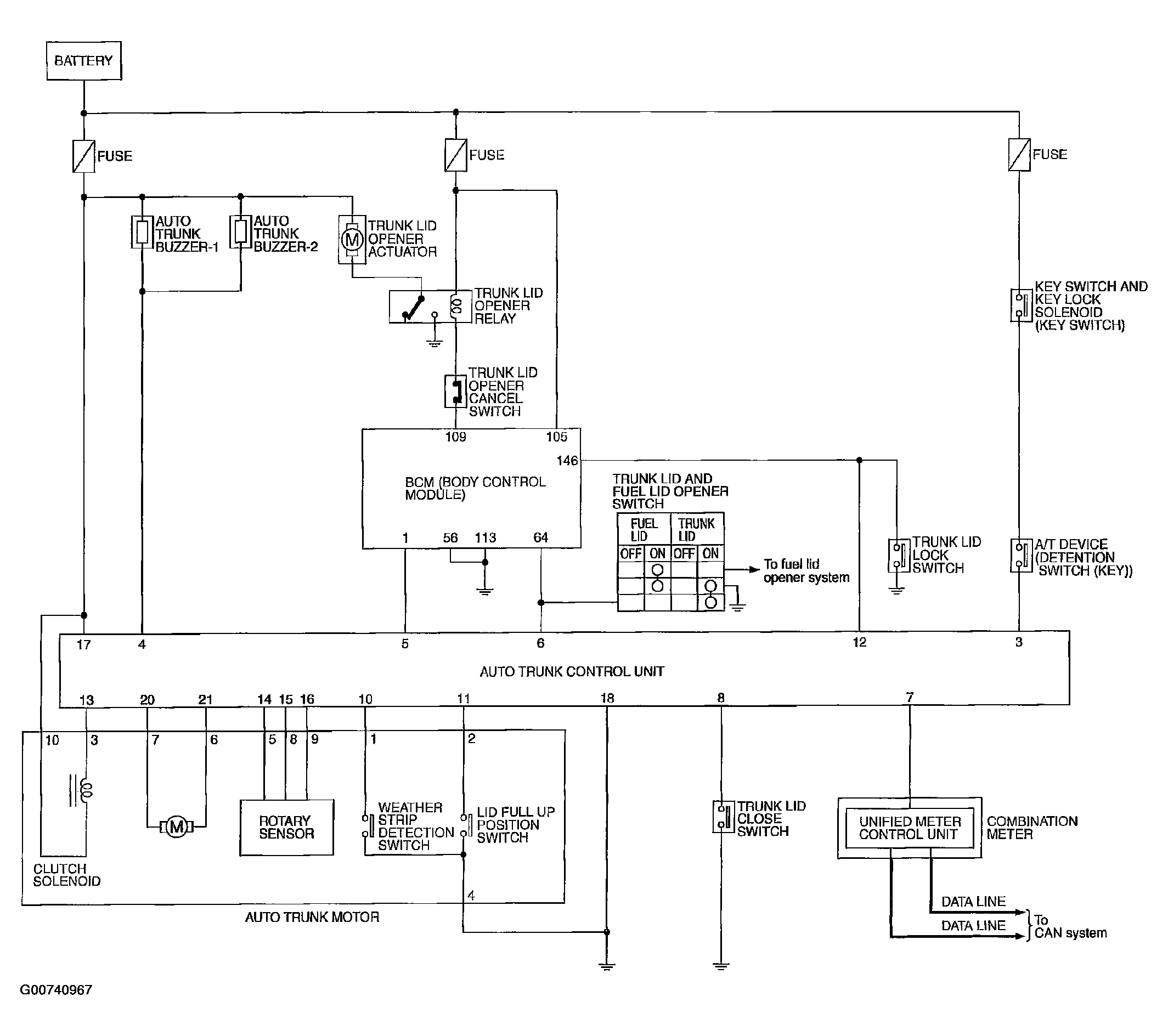
Auto Trunk System: Schematic

Fig 1: Schematic
G00740967Courtesy of NISSAN MOTOR CO., U.S.A.