lemon-mirror:
Home >> Infiniti >> 2004 >> Q45 >> Repair and Diagnosis >> Body & Frame >> Door Locks >> Remote Keyless Entry >> Remote Keyless Entry System >> Schematic

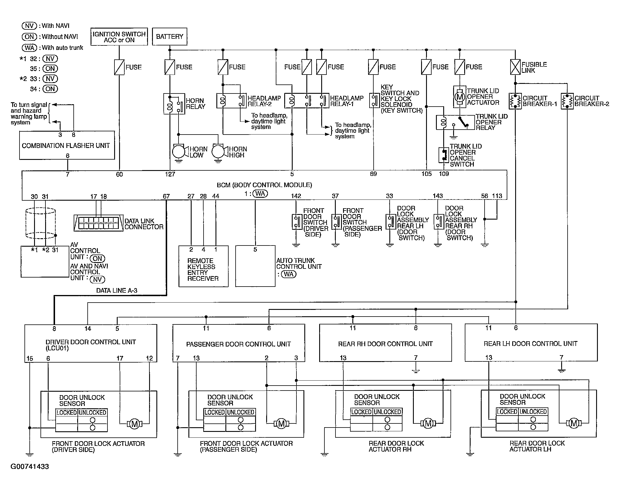
Remote Keyless Entry System: Schematic

Fig 1: Schematic
G00741433Courtesy of NISSAN MOTOR CO., U.S.A.