lemon-mirror:
Home >> Infiniti >> 2004 >> Q45 >> Repair and Diagnosis >> Brakes >> Traction Control >> Brake Control System >> System Description >> System Diagram

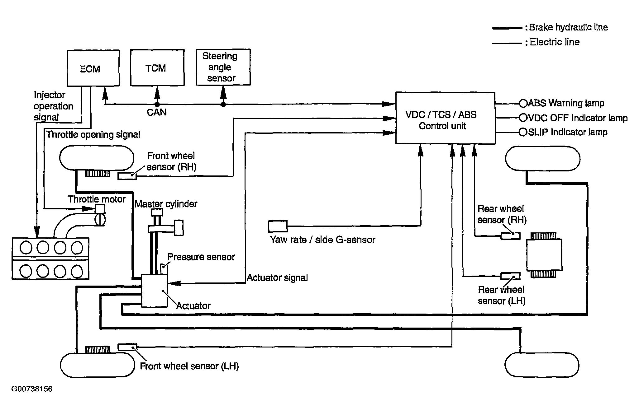
System Diagram

Fig 1: Displaying Overview Of Brake Control System
G00738156Courtesy of NISSAN MOTOR CO., U.S.A.