lemon-mirror:
Home >> Infiniti >> 2004 >> Q45 >> Repair and Diagnosis >> Engine Performance >> Engine Control System >> DTC P0101: MAF Sensor >> Wiring Diagram

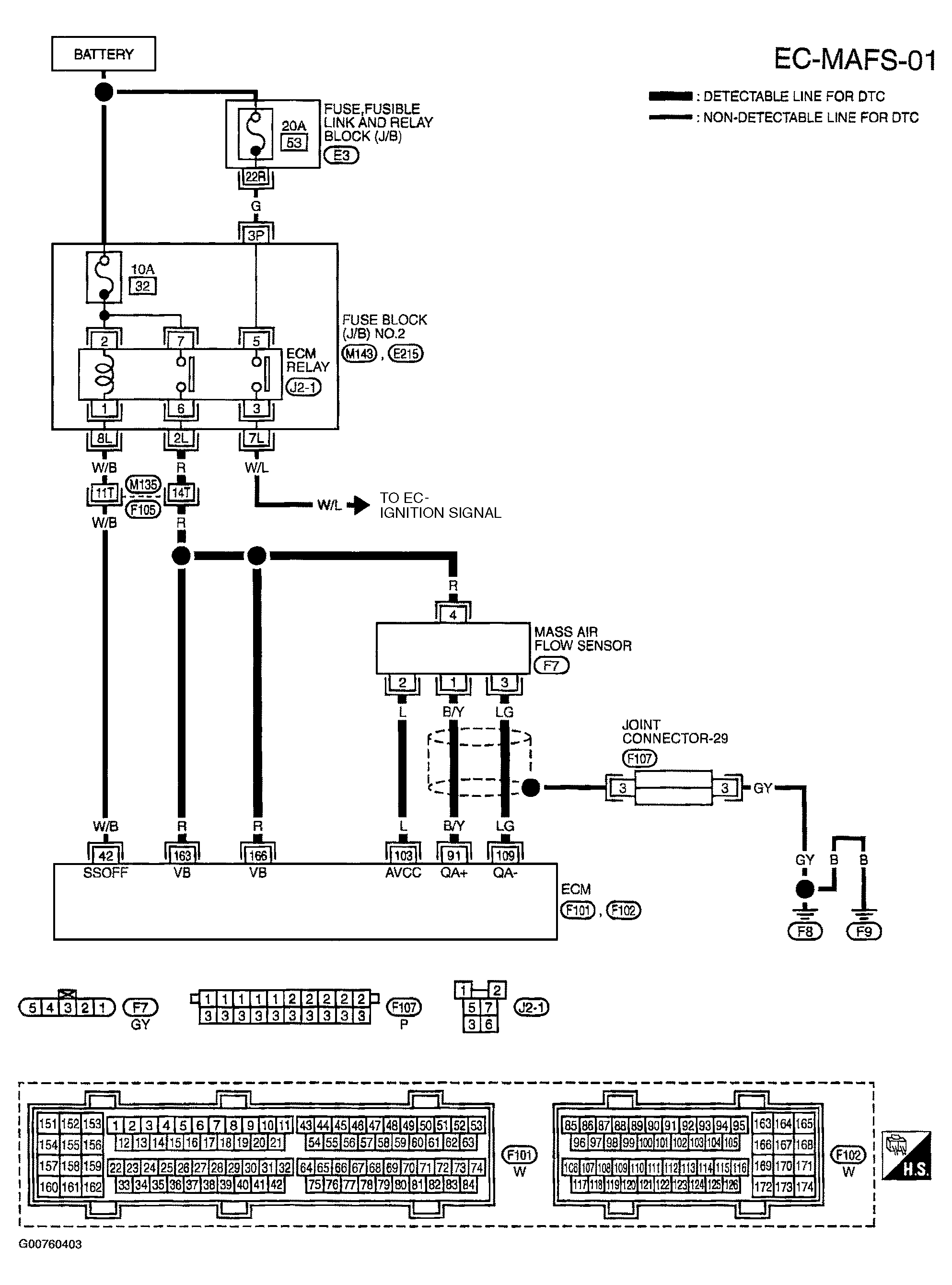
DTC P0101: MAF Sensor: Wiring Diagram

Fig 1: MAF Sensor Circuit Diagram - EC-MAFS-01
G00760403Courtesy of NISSAN MOTOR CO., U.S.A.

Specification data are reference values and are measured between each terminal and ground.

CAUTION: Do not use ECM ground terminals when measuring input/output voltage. Doing so may result in damage to the ECM's transistor. Use a ground other than ECM terminals, such as the ground.
Fig 2: Specification data & reference values
G00760404Courtesy of NISSAN MOTOR CO., U.S.A.