lemon-mirror:
Home >> Infiniti >> 2004 >> Q45 >> Repair and Diagnosis >> Engine Performance >> Engine Control System >> Ignition Signal >> Wiring Diagram

Ignition Signal: Wiring Diagram

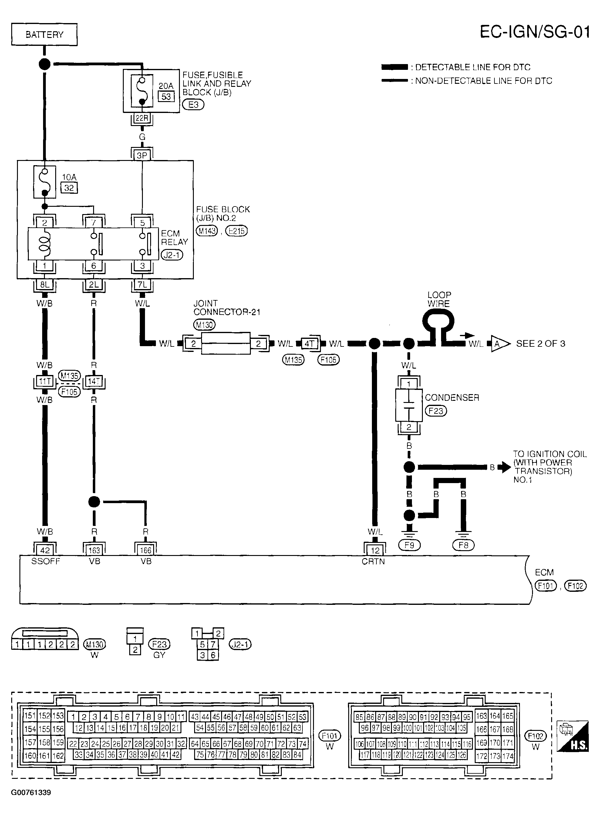
Fig 1: Circuit Diagram (1 Of 3) - EC-IGN/SG-01
G00761339Courtesy of NISSAN MOTOR CO., U.S.A.

Specification data are reference values and are measured between each terminal and ground.

CAUTION: Do not use ECM ground terminals when measuring input/output voltage. Doing so may result in damage to the ECM's transistor. Use a ground other than ECM terminals, such as the ground.
Fig 2: Specification Data & Reference Values
G00761340Courtesy of NISSAN MOTOR CO., U.S.A.
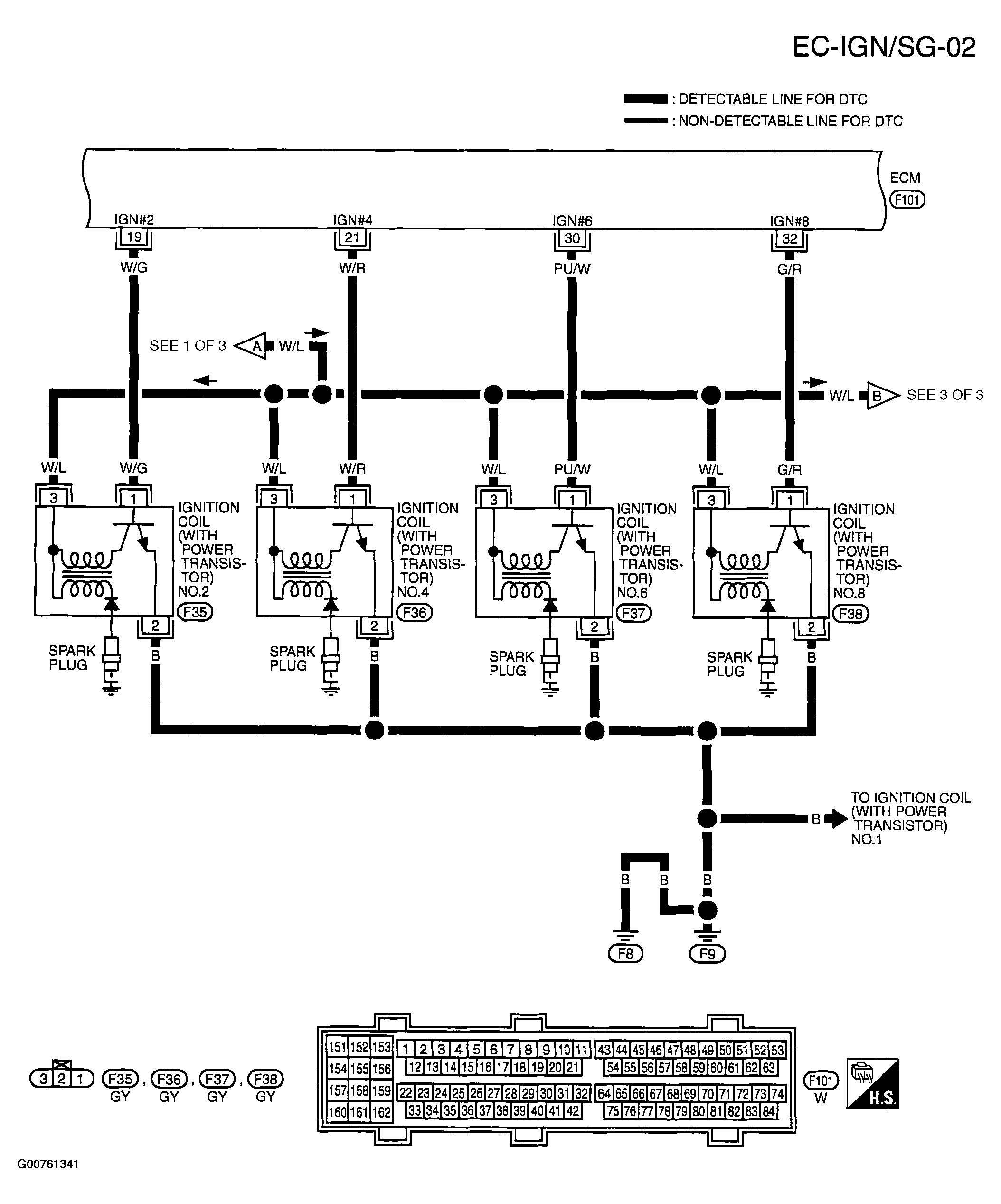
Fig 3: Circuit Diagram (2 Of 3) - EC-IGN/SG-02
G00761341Courtesy of NISSAN MOTOR CO., U.S.A.

Specification data are reference values and are measured between each terminal and ground. Pulse signal is measured by CONSULT-II.

CAUTION: Do not use ECM ground terminals when measuring input/output voltage. Doing so may result in damage to the ECM's transistor. Use a ground other than ECM terminals, such as the ground.
Fig 4: Specification Data & Reference Values
G00761342Courtesy of NISSAN MOTOR CO., U.S.A.
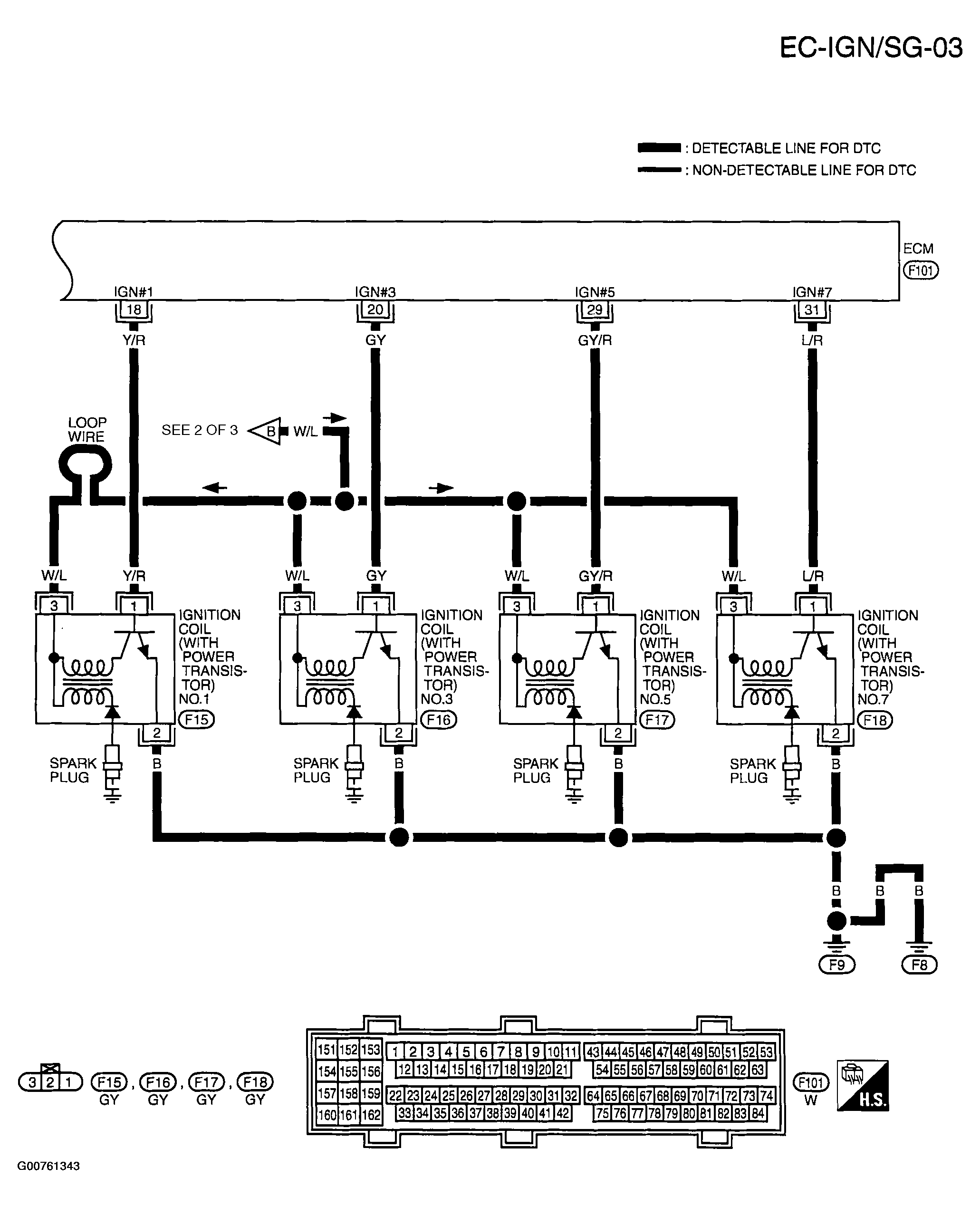
Fig 5: Circuit Diagram (3 Of 3) - EC-IGN/SG-03
G00761343Courtesy of NISSAN MOTOR CO., U.S.A.

Specification data are reference values and are measured between each terminal and ground. Pulse signal is measured by CONSULT-II.

CAUTION: Do not use ECM ground terminals when measuring input/output voltage. Doing so may result in damage to the ECM's transistor. Use a ground other than ECM terminals, such as the ground.
Fig 6: Specification data & reference values
G00761344Courtesy of NISSAN MOTOR CO., U.S.A.