lemon-mirror:
Home >> Infiniti >> 2004 >> Q45 >> Repair and Diagnosis >> Engine Performance >> Engine Control System >> Trouble Diagnosis >> Circuit Diagram

Circuit Diagram

Fig 1: Circuit Diagram (1 Of 2)
G00745053Courtesy of NISSAN MOTOR CO., U.S.A.
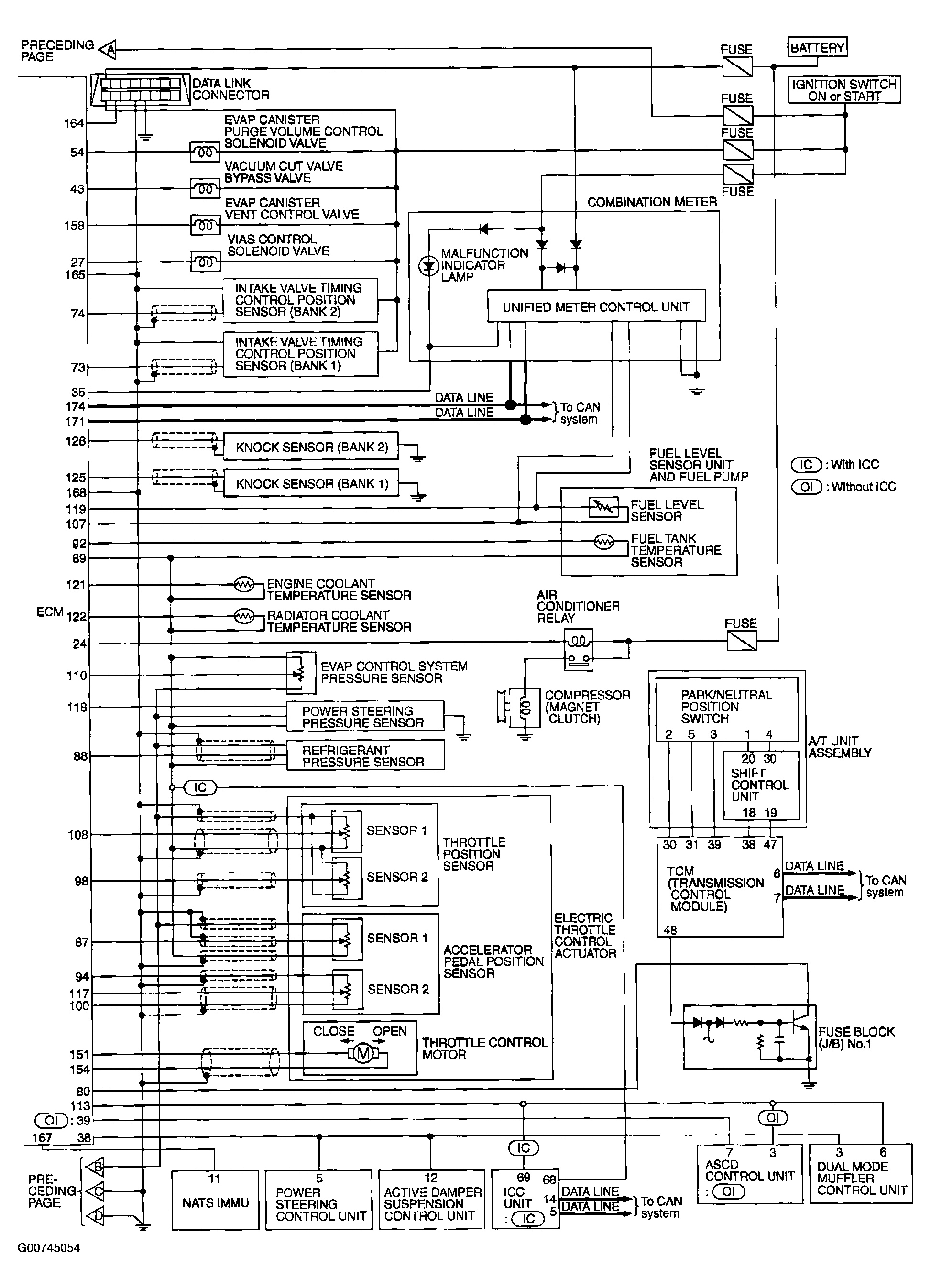
Fig 2: Circuit Diagram (2 Of 2)
G00745054Courtesy of NISSAN MOTOR CO., U.S.A.