lemon-mirror:
Home >> Infiniti >> 2004 >> QX56 RWD >> Repair and Diagnosis >> Body & Frame >> Door Locks >> Remote Keyless Entry System >> Remote Keyless Entry System >> Schematic

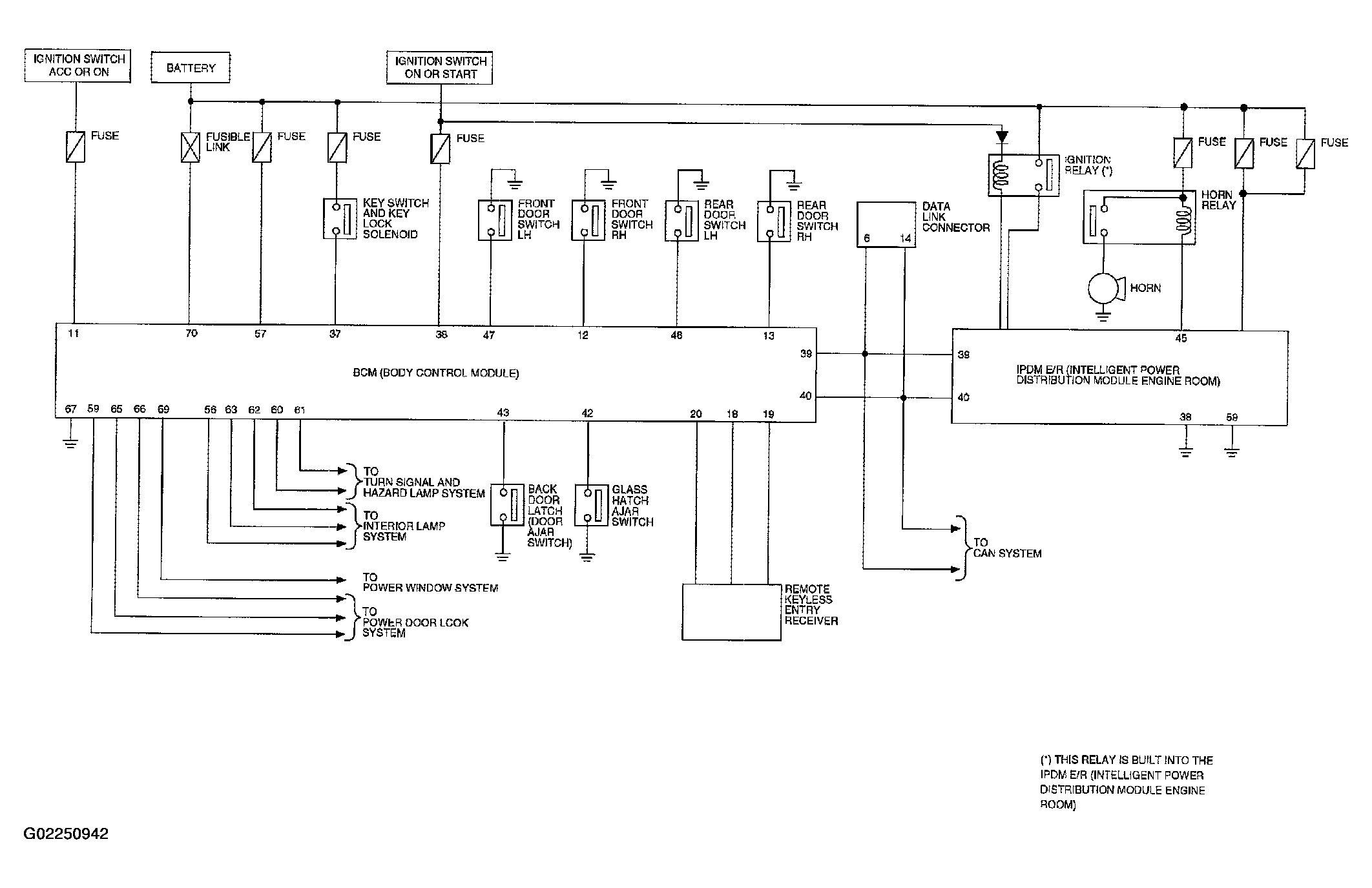
Remote Keyless Entry System: Schematic

Fig 1: Remote Keyless Entry System Circuit Diagram
G02250942Courtesy of NISSAN MOTOR CO., U.S.A.