lemon-mirror:
Home >> Infiniti >> 2005 >> G35 x >> Repair and Diagnosis >> Engine Performance >> Engine Control System - Sedan >> ASCD Brake Switch >> Wiring Diagram >> M/T Model

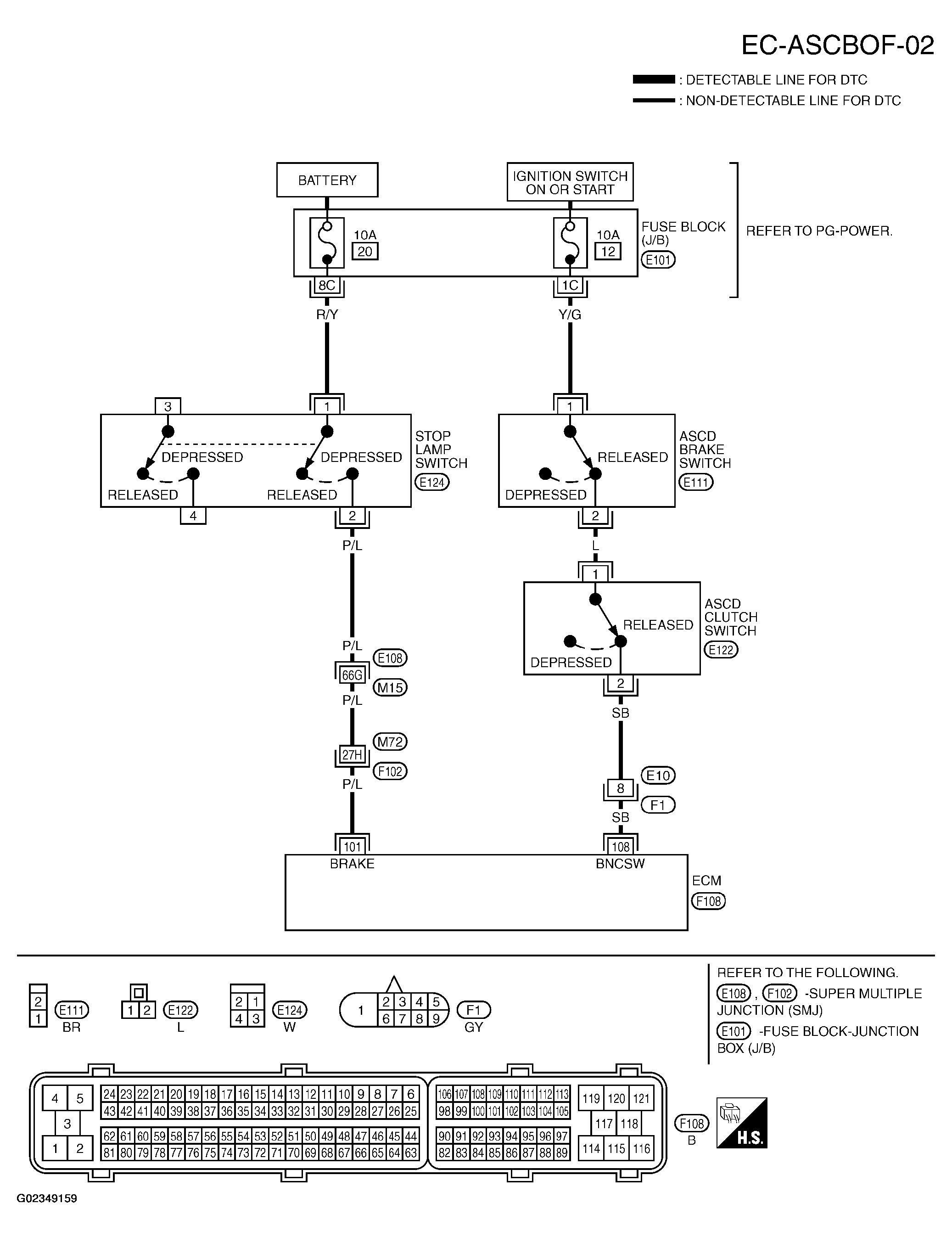
M/T Model

Fig 1: Wiring Diagram - EC-ASCBOF-02
G02349159Courtesy of NISSAN MOTOR CO., U.S.A.

Specification data are reference values and are measured between each terminal and ground.

CAUTION: Do not use ECM ground terminals when measuring input/output voltage. Doing so may result in damage to the ECM's transistor. Use a ground other than ECM terminals, such as the ground.
Fig 2: Specification Data Table
G02349160Courtesy of NISSAN MOTOR CO., U.S.A.