lemon-mirror:
Home >> Infiniti >> 2005 >> Q45 >> Repair and Diagnosis >> Engine Performance >> System >> Engine Control System - System Testing >> Ignition Signal >> Wiring Diagram

Ignition Signal: Wiring Diagram

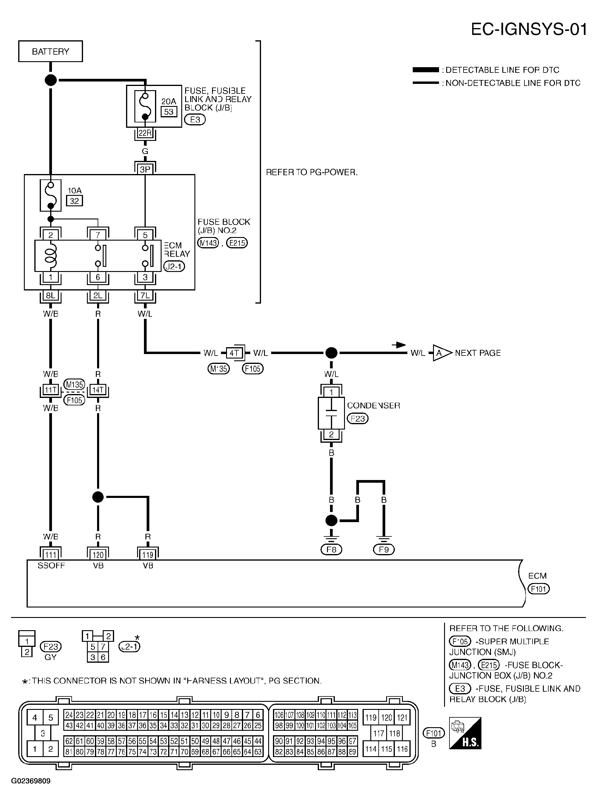
Fig 1: Wiring Diagram - EC-IGNSYS-01
G02369809Courtesy of NISSAN MOTOR CO., U.S.A.

Specification data are reference values and are measured between each terminal and ground.

CAUTION: Do not use ECM ground terminals when measuring input/output voltage. Doing so may result in damage to the ECM's transistor. Use a ground other than ECM terminals, such as the ground.
Fig 2: Connector Terminals Voltage Conditions Chart
G02369810Courtesy of NISSAN MOTOR CO., U.S.A.
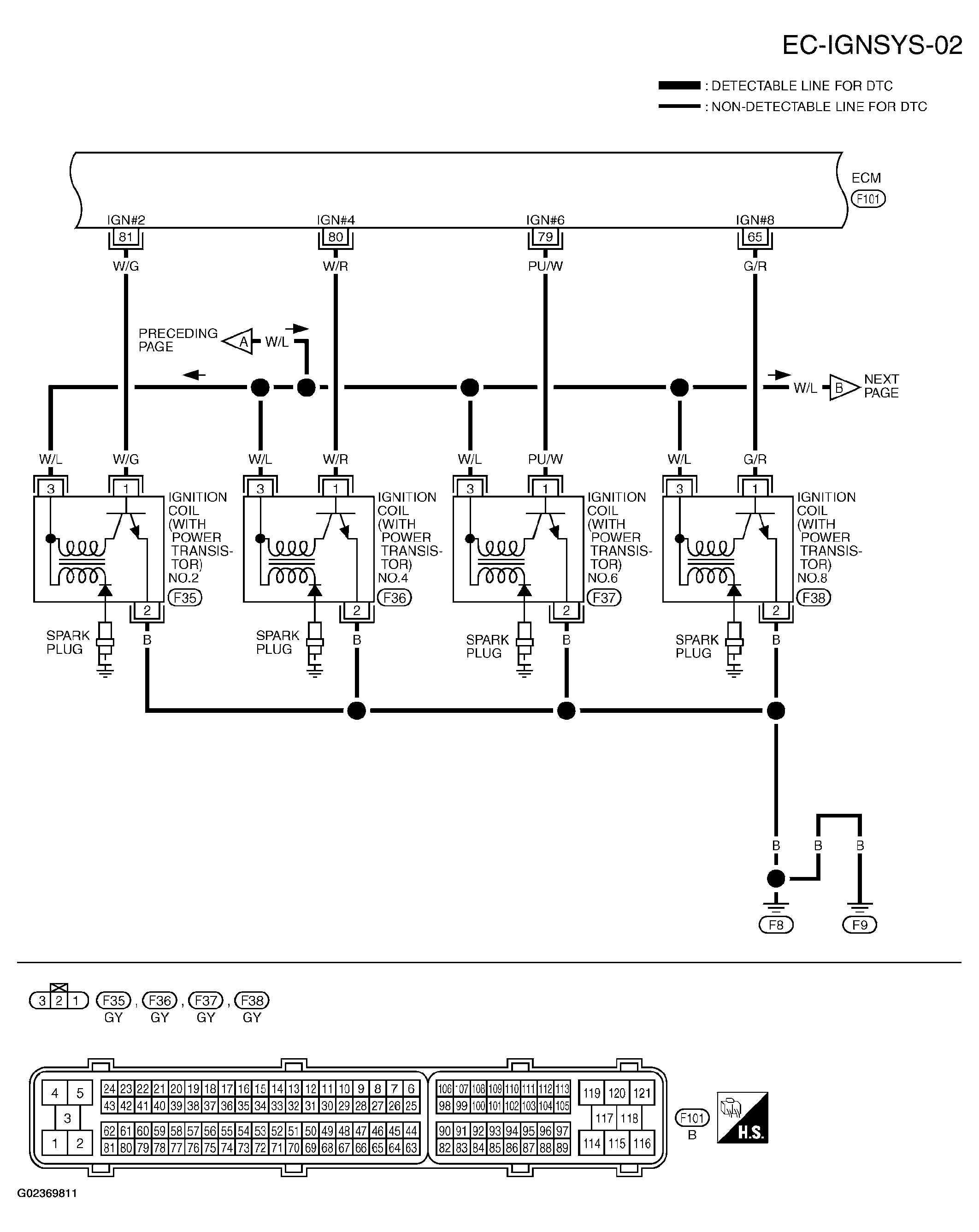
Fig 3: Wiring Diagram - EC-IGNSYS-02
G02369811Courtesy of NISSAN MOTOR CO., U.S.A.

Specification data are reference values and are measured between each terminal and ground.

Pulse signal is measured by CONSULT-II.

CAUTION: Do not use ECM ground terminals when measuring input/output voltage. Doing so may result in damage to the ECM's transistor. Use a ground other than ECM terminals, such as the ground.
Fig 4: Connector Terminals Voltage And Pulse Signal Chart
G02369812Courtesy of NISSAN MOTOR CO., U.S.A.
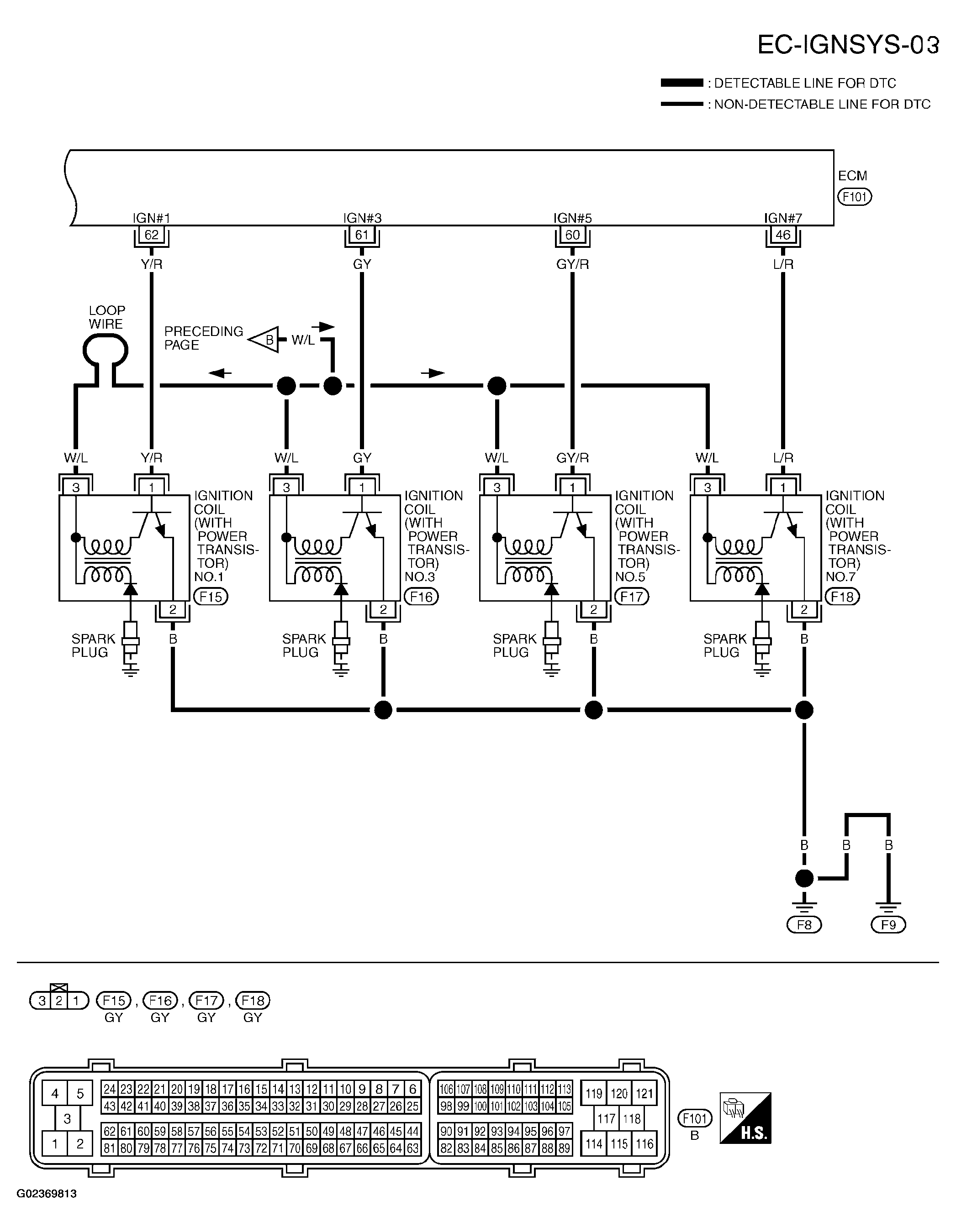
Fig 5: Wiring Diagram - EC-IGNSYS-03
G02369813Courtesy of NISSAN MOTOR CO., U.S.A.

Specification data are reference values and are measured between each terminal and ground.

Pulse signal is measured by CONSULT-II.

CAUTION: Do not use ECM ground terminals when measuring input/output voltage. Doing so may result in damage to the ECM's transistor. Use a ground other than ECM terminals, such as the ground.
Fig 6: Connector Terminals Voltage And Pulse Signal Chart
G02369814Courtesy of NISSAN MOTOR CO., U.S.A.