lemon-mirror:
Home >> Infiniti >> 2005 >> Q45 >> Repair and Diagnosis >> Transmission >> Automatic Transmission >> Transmission Assembly >> Removal and Installation >> Components

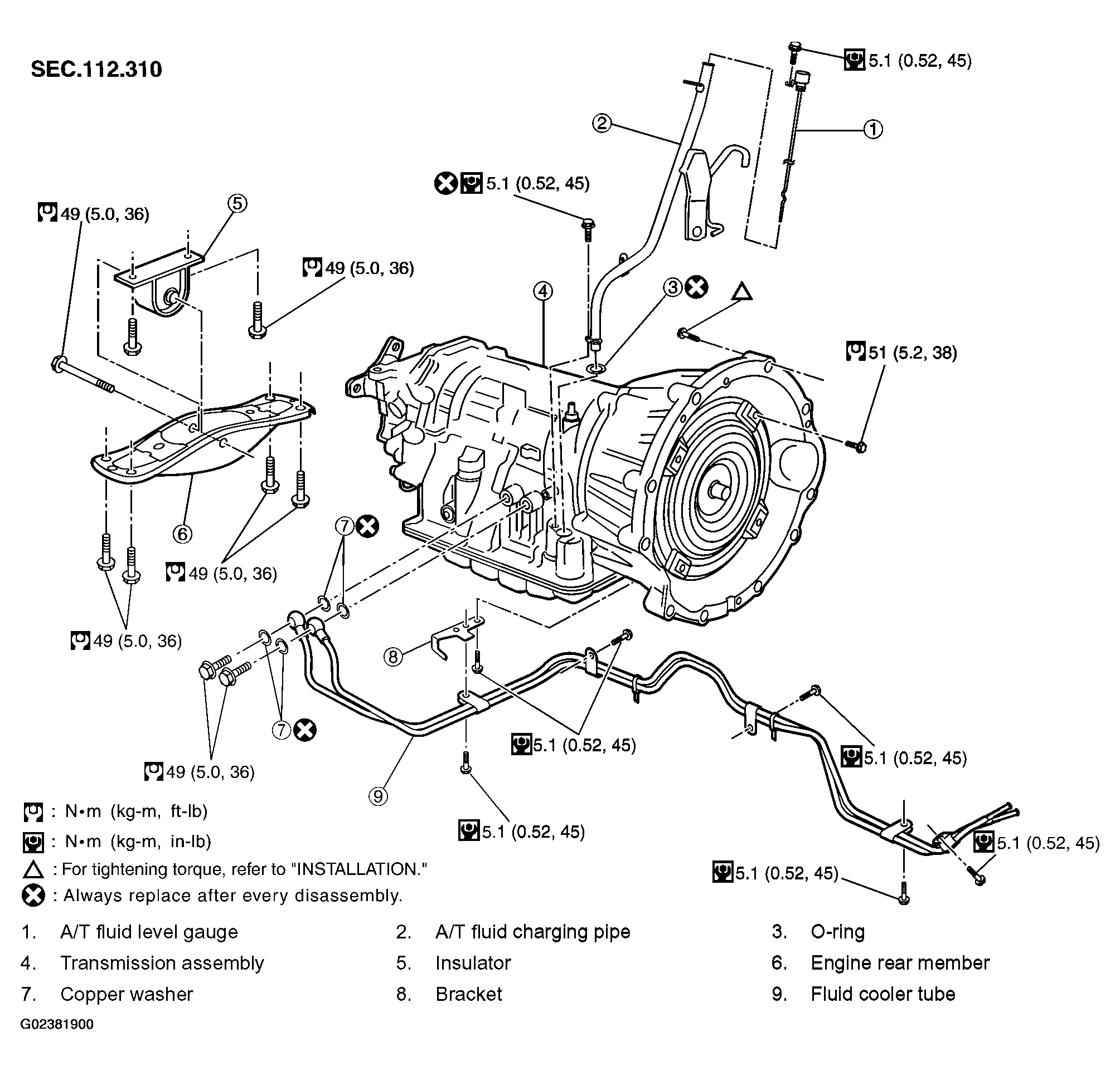
Removal and Installation: Components

Fig 1: Transmission Assembly Replacement Components With Torque Specifications
G02381900Courtesy of NISSAN MOTOR CO., U.S.A.