lemon-mirror:
Home >> Infiniti >> 2005 >> QX56 AWD >> Repair and Diagnosis >> Engine Performance >> Engine Control System >> Mil And Data Link Connector >> Wiring Diagram

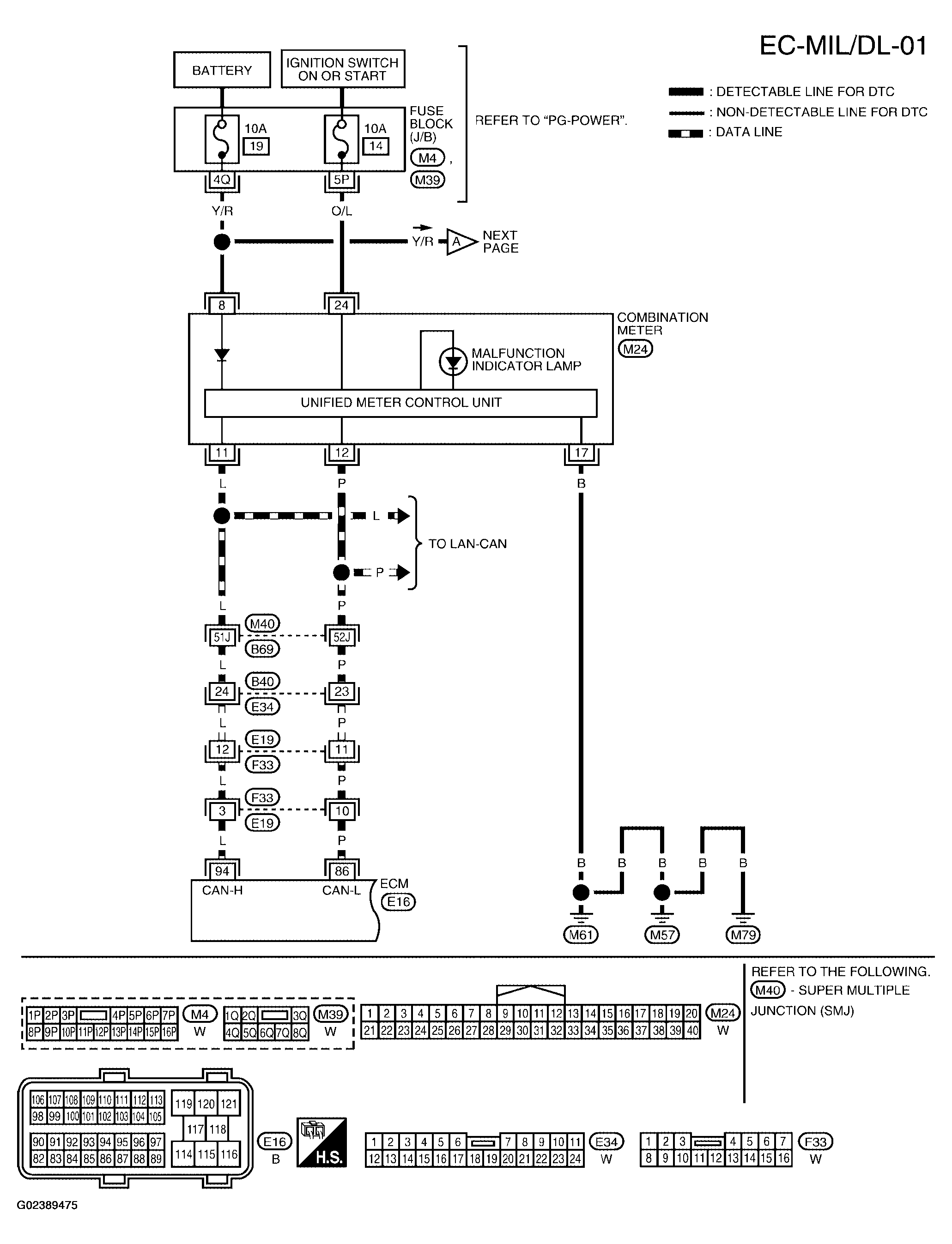
Mil And Data Link Connector: Wiring Diagram

Fig 1: Wiring Diagram - EC-MIL/DL-01
G02389475Courtesy of NISSAN MOTOR CO., U.S.A.
Fig 2: Wiring Diagram - EC-MIL/DL-02
G02389476Courtesy of NISSAN MOTOR CO., U.S.A.