lemon-mirror:
Home >> Infiniti >> 2006 >> FX45 >> Repair and Diagnosis >> Transmission >> Automatic Transmission >> A/T Control System >> Shift Mechanism >> Construction

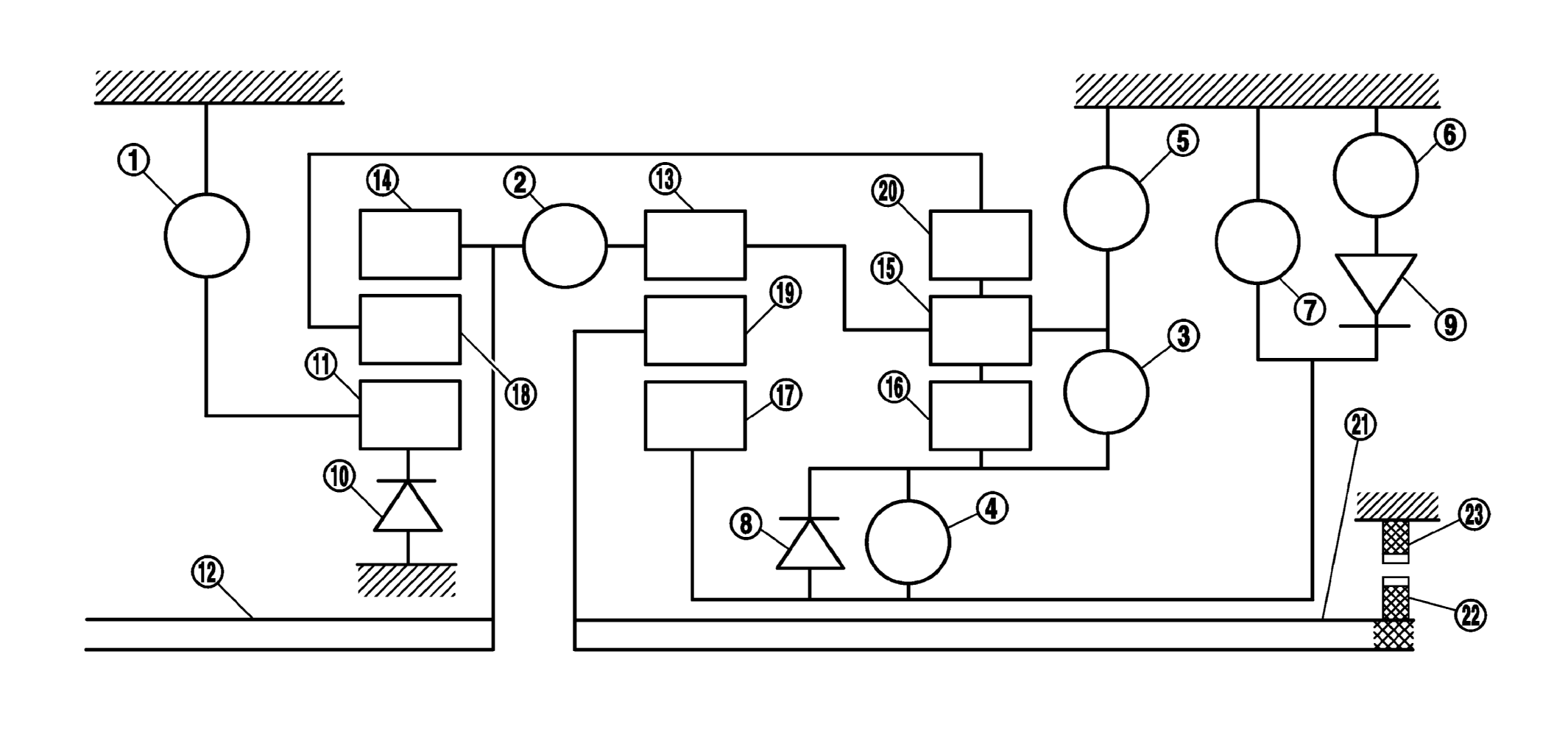
Shift Mechanism: Construction

Fig 1: Construction Diagram Of Shift Mechanism
G04075404Courtesy of NISSAN MOTOR CO., U.S.A.