lemon-mirror:
Home >> Infiniti >> 2006 >> QX56 AWD >> Repair and Diagnosis >> Engine Performance >> System >> Engine Control System - Introduction >> Trouble Diagnosis >> Circuit Diagram

Circuit Diagram

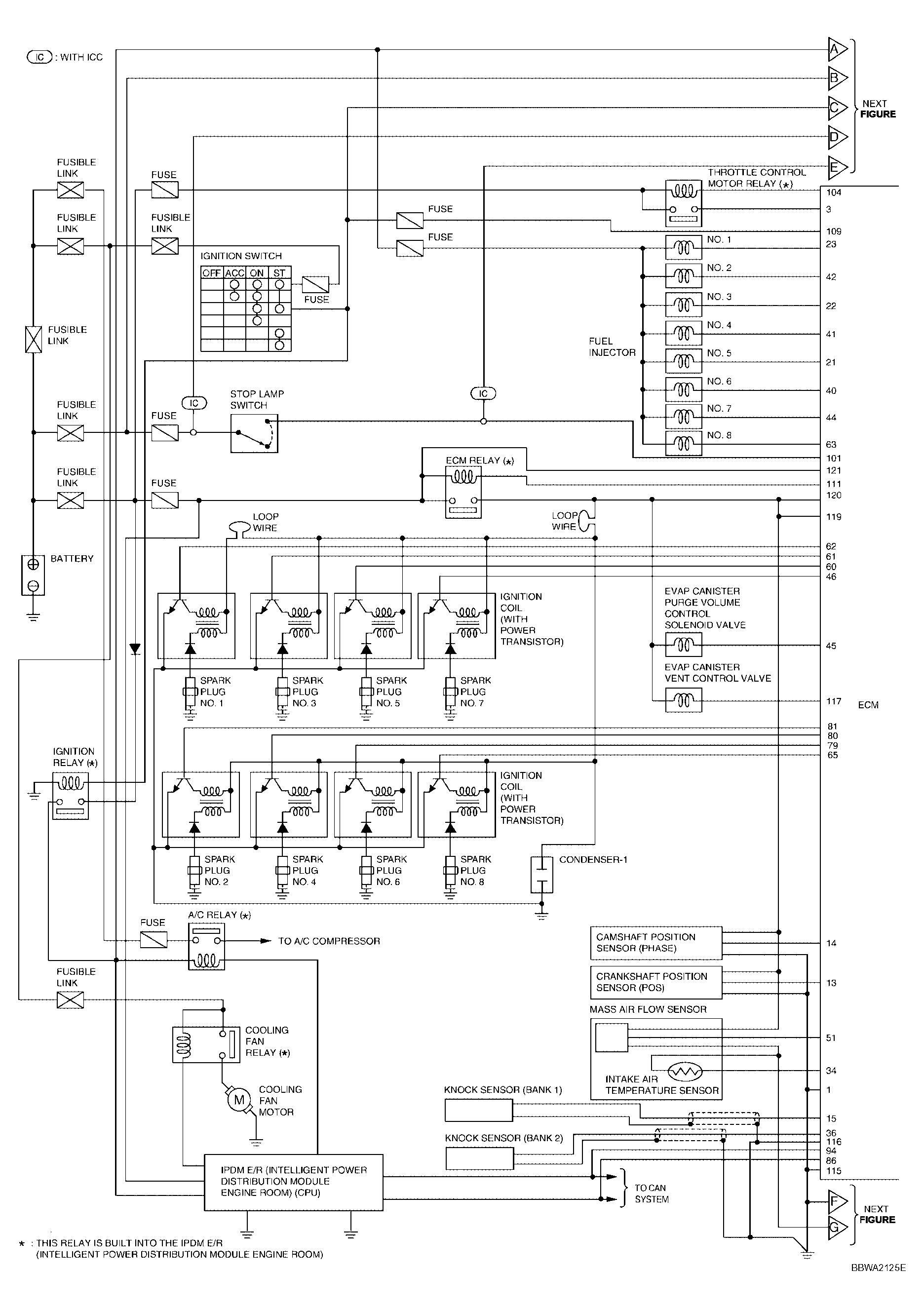
Fig 1: Engine Control System - Circuit Diagram (1 Of 2)
G04132596Courtesy of NISSAN MOTOR CO., U.S.A.
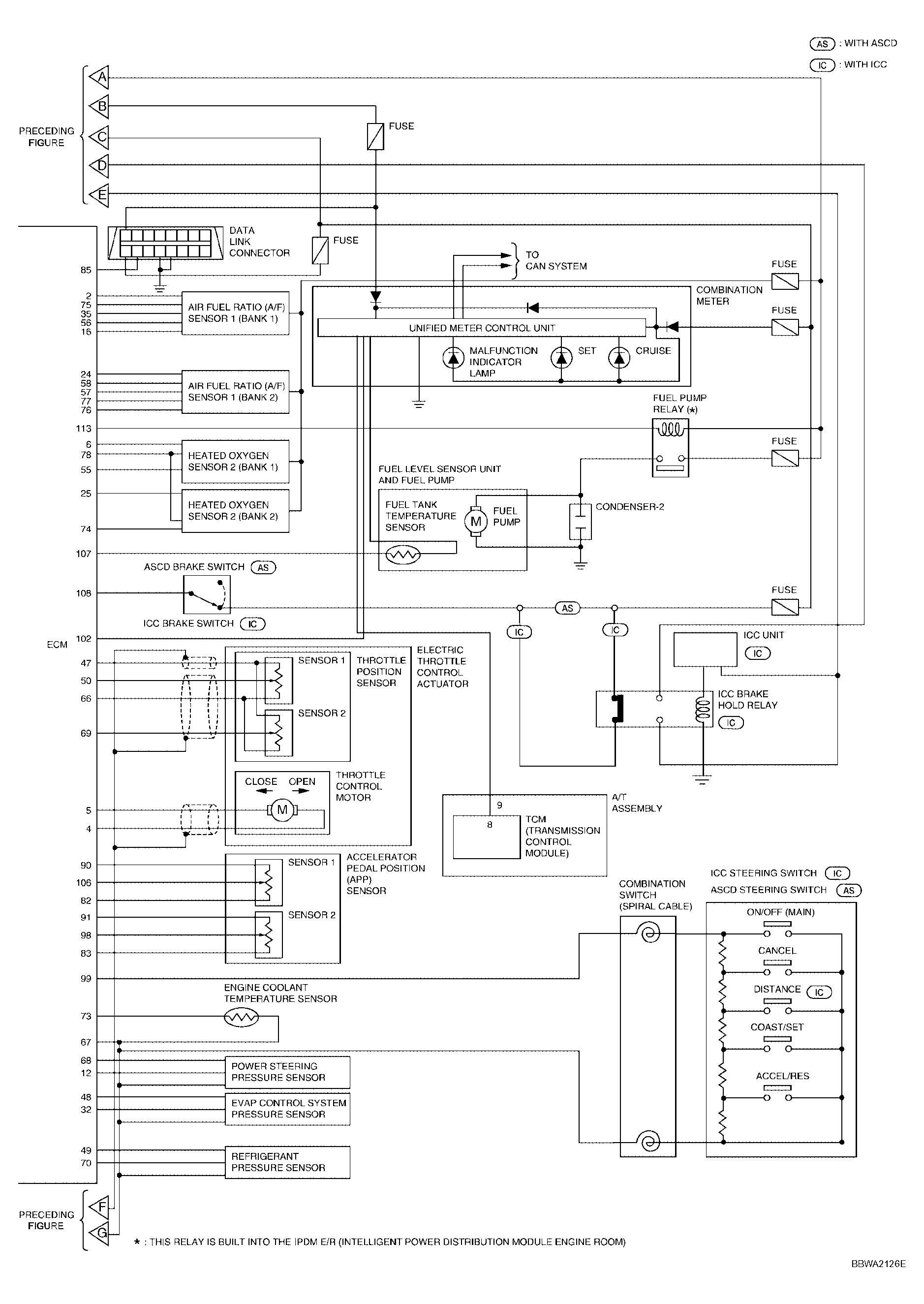
Fig 2: Engine Control System - Circuit Diagram (2 Of 2)
G04132597Courtesy of NISSAN MOTOR CO., U.S.A.