lemon-mirror:
Home >> Infiniti >> 2006 >> QX56 AWD >> Repair and Diagnosis >> Engine Performance >> System >> Engine Control System - Introduction >> Trouble Diagnosis >> Vacuum Hose Drawing

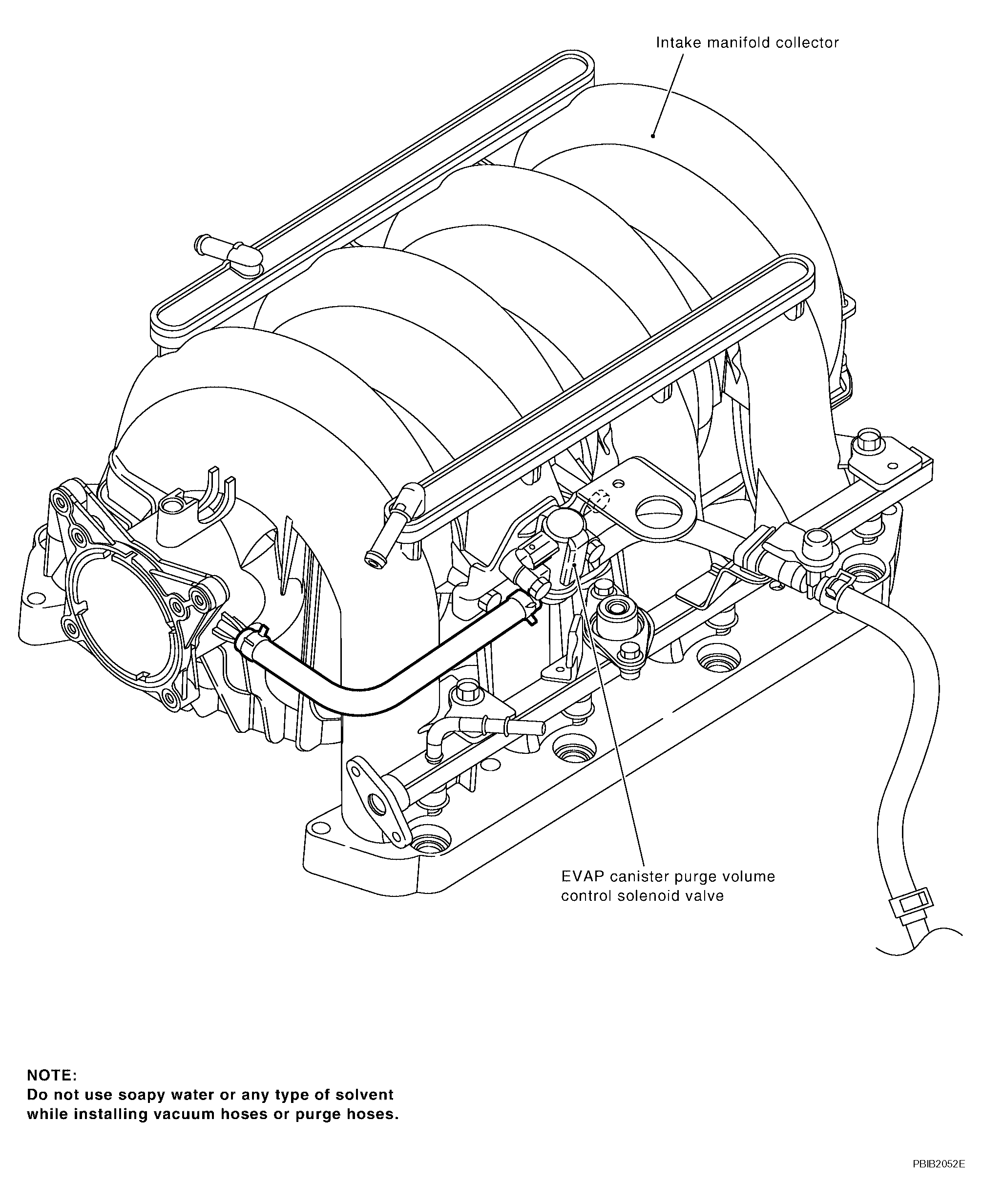
Vacuum Hose Drawing

Fig 1: Identifying Vacuum Hose Drawing
G04132595Courtesy of NISSAN MOTOR CO., U.S.A.

Refer to " SYSTEM DIAGRAM  "  for Vacuum Control System.