lemon-mirror:
Home >> Infiniti >> 2007 >> FX45 >> Repair and Diagnosis >> Engine Performance >> System >> Engine Control System - Component Testing And Specifications (VK45DE) >> ASCD Indicator >> Wiring Diagram

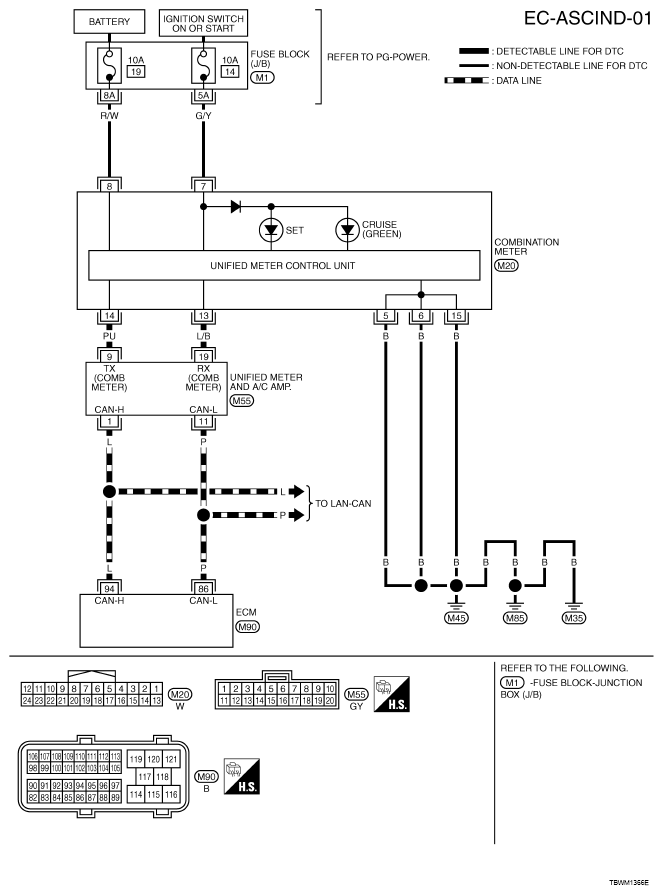
ASCD Indicator: Wiring Diagram

Fig 1: ASCD Indicator - Wiring Diagram
G05217793Courtesy of NISSAN NORTH AMERICA, INC.