lemon-mirror:
Home >> Infiniti >> 2007 >> M35 Base >> Repair and Diagnosis >> Accessories & Equipment >> Communication Devices >> Body Control System >> BCM (Body Control Module) >> Schematic

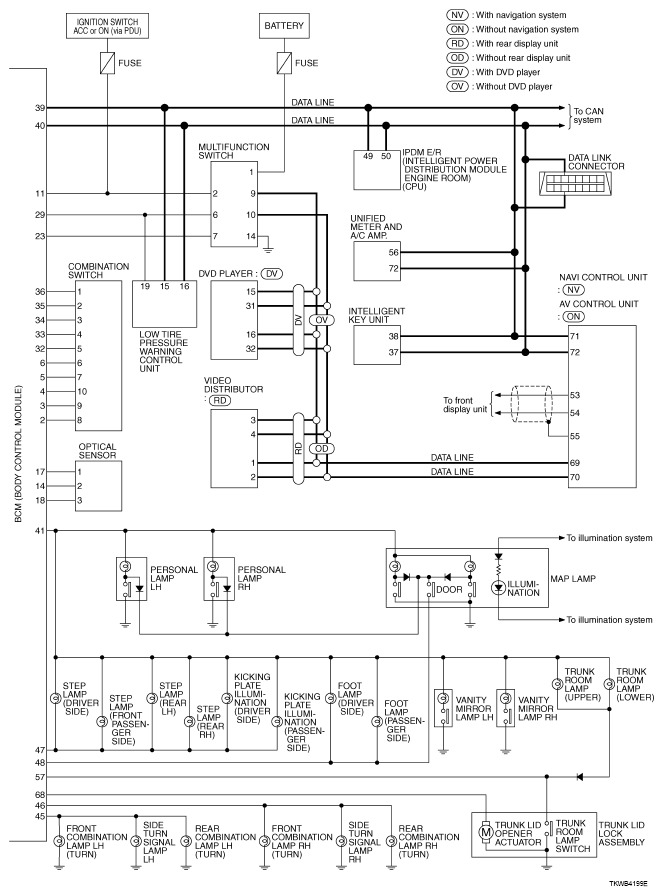
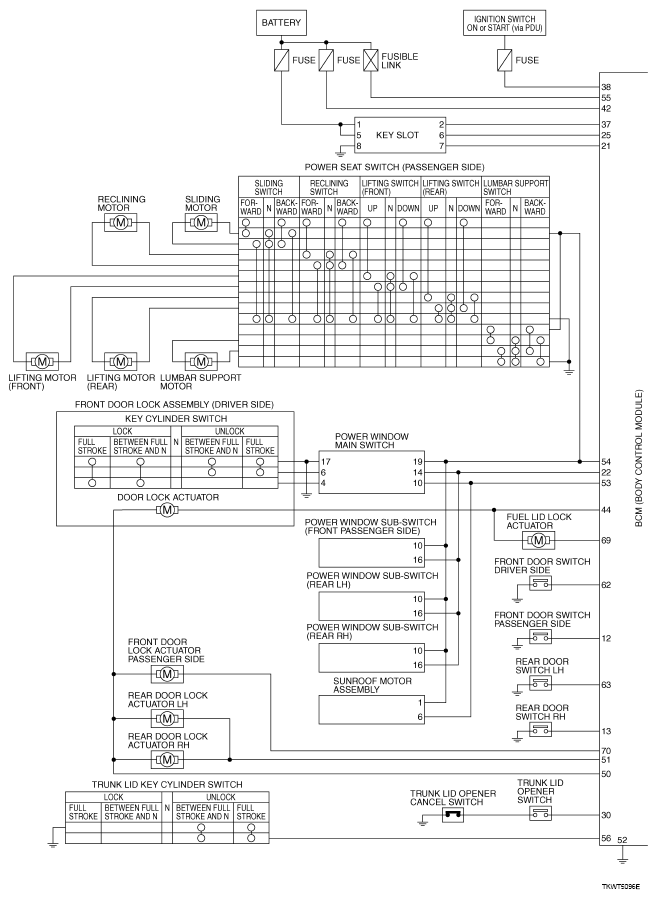
BCM (Body Control Module): Schematic

Fig 1: Body Control Module Schematic Diagram (1 Of 2)
G05214386
Fig 2: Body Control Module Schematic Diagram (2 Of 2)
G05214387