lemon-mirror:
Home >> Infiniti >> 2007 >> M45 >> Repair and Diagnosis >> Transmission >> Automatic Transmission >> Overhaul >> Components

Automatic Transmission: Overhaul: Components

Refer to COMPONENTS .

Refer to RECOMMENDED CHEMICAL PRODUCTS AND SEALANTS .

Fig 1: Exploded View Of Transmission Assembly With Torque Specification (VQ35DE Models)
G05213500
Fig 2: Exploded View Of Transmission Assembly With Torque Specification (VK45DE Models)
G05213501
Fig 3: Identifying Transmission Assembly Bearings (VQ35DE Models)
G05213502
Fig 4: Identifying Transmission Assembly Bearings (VK45DE Models)
G05213503
Fig 5: Identifying Transmission Assembly Components (VQ35DE Models For 2WD)
G05213504
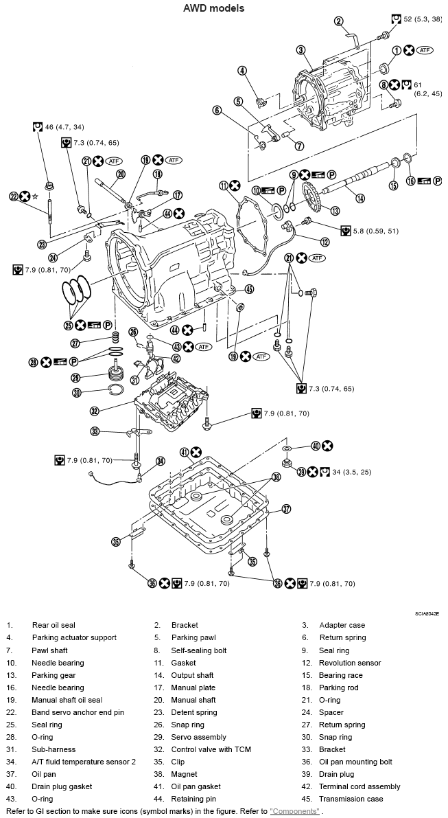
Fig 6: Identifying Transmission Assembly Components (AWD Models)
G05213505
Fig 7: Identifying Transmission Assembly Components (VK45DE Models For 2WD)
G05213506