lemon-mirror:
Home >> Infiniti >> 2007 >> QX56 RWD >> Repair and Diagnosis >> Engine Performance >> System >> Engine Control System - Introduction >> Trouble Diagnosis >> Vacuum Hose Drawing

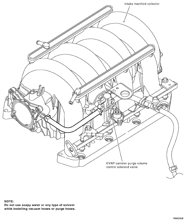
Vacuum Hose Drawing

Fig 1: Vacuum Hose Drawing
G04900080Courtesy of NISSAN NORTH AMERICA, INC.

Refer to "SYSTEM DIAGRAM " for Vacuum Control System.