lemon-mirror:
Home >> Infiniti >> 2008 >> FX35 AWD >> Repair and Diagnosis >> Engine Performance >> Engine Control Systems >> Engine Control System - Component System Testing (VQ35DE) >> Snow Mode Switch >> Wiring Diagram

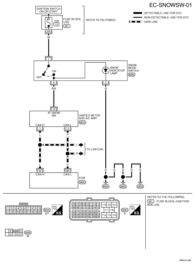
Snow Mode Switch: Wiring Diagram

For PG-POWER, refer to POWER SUPPLY, GROUND & CIRCUIT ELEMENTS .

Fig 1: EC-SNOWSW-01 - Wiring Diagram
G05216983Courtesy of NISSAN MOTOR CO., U.S.A.